Запчасти Komatsu PC120-6H ОСНОВНАЯ РАМА (НАВЕСН. ОБОРУД.) (ДЛЯБАМПЕР)(№7-) ОСНОВНАЯ РАМА И ЕЕ ЧАСТИ

Схема запчастей Komatsu PC120-6H - ОСНОВНАЯ РАМА (НАВЕСН. ОБОРУД.) (ДЛЯ  БАМПЕР)(№7-) ОСНОВНАЯ РАМА И ЕЕ ЧАСТИ
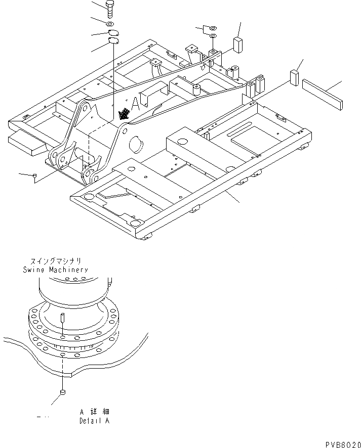
1
2
2A
2B
3
4
5
6
7
8
8
FIT
1:1
100%

Артикул

Название

Примечание

Количество

1

FRAME

2

21K-46-21190

PLATE¤ 1.0MM

2A

203-46-61910

PLUG

2B

203-46-61920

CAP

3

203-46-61520

GASKET

4

203-46-56160

COVER

5

01010-81230

BOLT

6

01643-31232

WASHER

7

203-46-62121

SHEET

8

203-46-62130

SHEET

Выбрано товаров: 10