Запчасти Komatsu PC120-6H ОСНОВН. НАСОС (НАСОС¤ НАПОЛНИТЕЛЬ¤ СОЕДИНЕНИЕ И КРЕПЛЕНИЕ)(№-999) ГИДРАВЛИКА

Схема запчастей Komatsu PC120-6H - ОСНОВН. НАСОС (НАСОС¤ НАПОЛНИТЕЛЬ¤ СОЕДИНЕНИЕ И КРЕПЛЕНИЕ)(№-999) ГИДРАВЛИКА
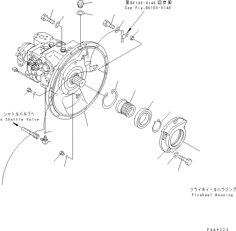
1
2
3
4
5
6
7
8
9
10
11
12
13
14
15
16
17
18
19
20
21
FIT
1:1
100%

Артикул

Название

Примечание

Количество

1

708-1L-00431

PUMP ASS'Y,(SEE FIG.Y1600-41A0)

|1

708-1L-00430

PUMP ASS'Y,(SEE FIG.Y1600-41A0)

2

07030-03034

BREATHER

3

07005-03016

GASKET

4

07040-12412

PLUG

5

07002-02434

O-RING

6

07040-11209

PLUG

7

07002-01223

O-RING

8

203-01-61170

CAGE

9

203-01-61190

SHAFT

10

06045-06014

BEARING

11

04065-01104

RING,SNAP

12

04064-07025

RING

13

01010-51235

BOLT

14

01643-31232

WASHER

15

20Y-62-23461

ELBOW

16

07002-01423

O-RING

17

01010-51040

BOLT

18

01643-31032

WASHER

19

01010-51050

BOLT

20

01643-31032

WASHER

21

205-917-1610

COLLAR

Выбрано товаров: 0