Качественные детали и логистика
Оригинальные и аналоговые запчасти с доставкой по России, Казахстану и Беларуси
©2022 PartSell ООО "Система" ИНН 2463123282 ОГРН 1212400004838
Центральный офис: г. Красноярск, Академика Киренского, д.87, пом.4
Телефон: 8 (800) 777-65-74 Email: zakaz@partsell.ru
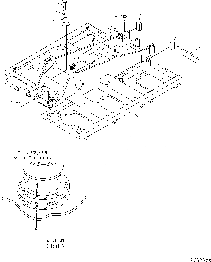
ОСНОВНАЯ РАМА (НАВЕСН. ОБОРУД.) (ДЛЯ БАМПЕР)(№7-)
№
Артикул
Название
Примечание
Количество
1
FRAME
2
21K-46-21190
PLATE¤ 1.0MM
2A
203-46-61910
PLUG
2B
203-46-61920
CAP
3
203-46-61520
GASKET
4
203-46-56160
COVER
5
01010-81230
BOLT
6
01643-31232
WASHER
7
203-46-62121
SHEET
8
203-46-62130
Выбрано товаров: 0