Запчасти Komatsu PC120-6S L.S. ЛИНИЯ(№-999) ГИДРАВЛИКА

Схема запчастей Komatsu PC120-6S - L.S. ЛИНИЯ(№-999) ГИДРАВЛИКА
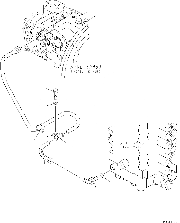
1
2
3
4
4
5
6
7
FIT
1:1
100%

Артикул

Название

Примечание

Количество

1

203-62-62750

ELBOW

2

07002-11423

O-RING

3

07071-00213

HOSE

|3

07071-00214

HOSE

4

07095-20318

CUSHION

5

04434-52512

CLIP

6

01010-51220

BOLT

7

01643-31232

WASHER

Выбрано товаров: 8