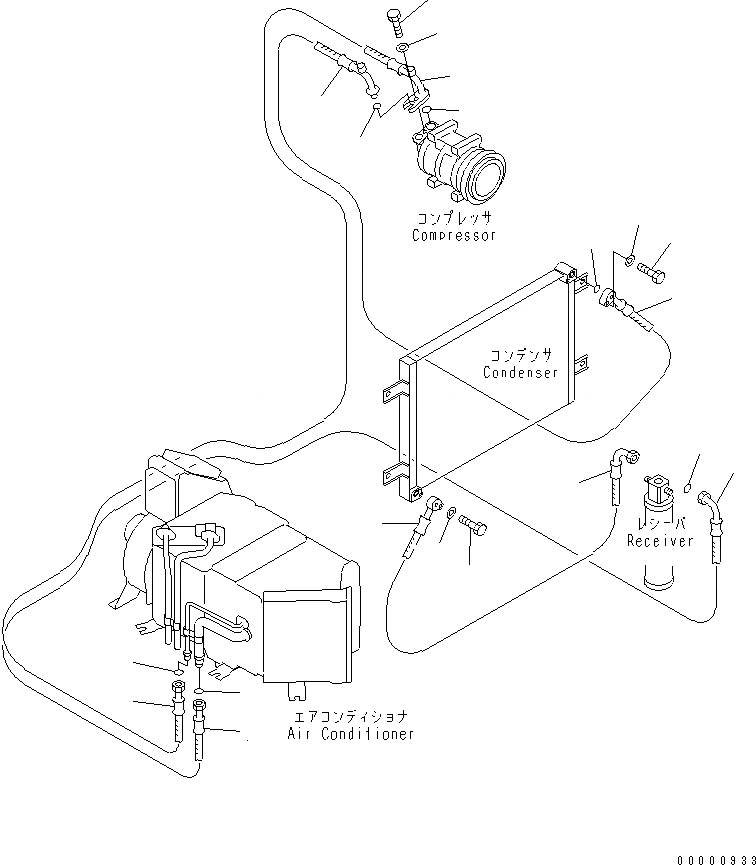
Запчасти Komatsu PC120-6S КОНДИЦ. ВОЗДУХА (FREON ТРУБЫ)(№7-) КАБИНА ОПЕРАТОРА И СИСТЕМА УПРАВЛЕНИЯ

Схема запчастей Komatsu PC120-6S - КОНДИЦ. ВОЗДУХА (FREON ТРУБЫ)(№7-) КАБИНА ОПЕРАТОРА И СИСТЕМА УПРАВЛЕНИЯ
1
1
2
2
3
3
3A
3A
4
4
4A
4A
5
6
7
8
9
9
10
11
FIT
1:1
100%

Артикул

Название

Примечание

Количество

1

203-979-6471

HOSE

2

203-979-6390

O-RING

3

203-979-6672

HOSE

|3

203-979-6671

HOSE

3A

20Y-979-5660

O-RING

4

203-979-6681

HOSE

4A

20Y-979-5650

O-RING

5

01050-51030

BOLT

6

01643-31032

WASHER

7

01010-80835

BOLT

8

01643-30823

WASHER

9

203-979-6771

HOSE¤ 400MM

10

01010-80835

BOLT

11

01643-30823

WASHER

Выбрано товаров: 14