Запчасти Komatsu PC120-6S ОСНОВН. КОНСТРУКЦИЯ (P.P.C. ХОД ТРУБЫ) ( АКТУАТОР)(№98-) КАБИНА ОПЕРАТОРА И СИСТЕМА УПРАВЛЕНИЯ

Схема запчастей Komatsu PC120-6S - ОСНОВН. КОНСТРУКЦИЯ (P.P.C. ХОД ТРУБЫ) ( АКТУАТОР)(№98-) КАБИНА ОПЕРАТОРА И СИСТЕМА УПРАВЛЕНИЯ
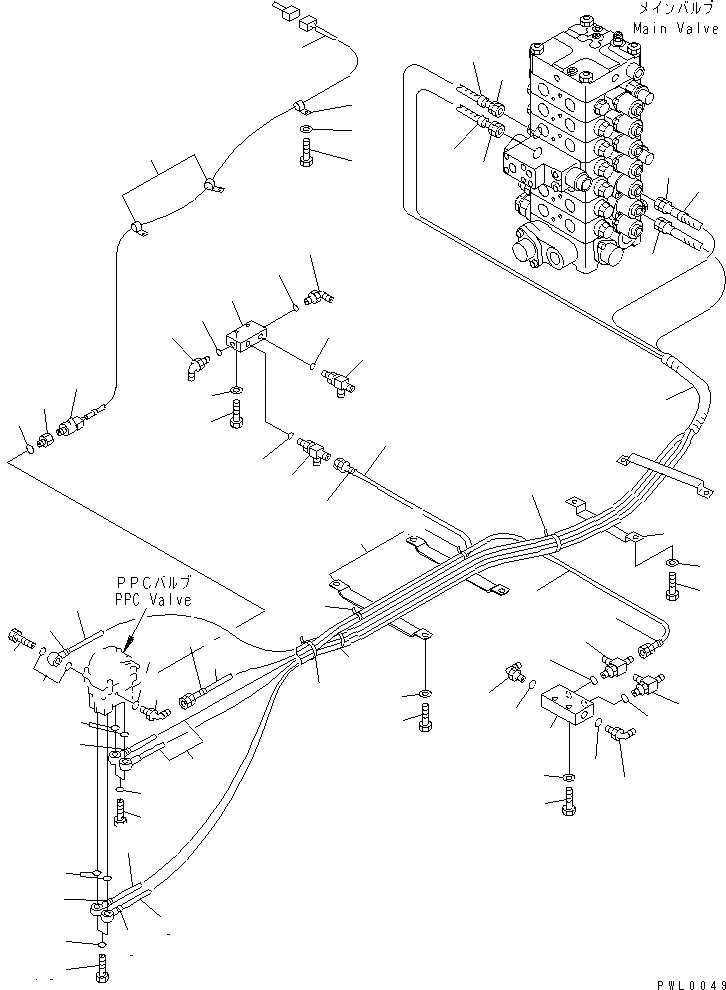
1
1
2
2
3
3
4
4
5
5
6
6
6
6
7
7
7
8
8
9
9
10
10
11
12
13
14
15
15
16
16
16
16
17
18
19
20
21
22
23
23
24
25
26
27
28
29
30
31
32
32
33
34
35
36
37
38
38
39
40
41
41
42
43
44
45
46
47
47
48
49
50
50
FIT
1:1
100%

Артикул

Название

Примечание

Количество

1

20Y-62-22872

HOSE¤ 1350MM

2

203-62-52340

HOSE¤ 1000MM

3

20Y-62-22790

BAND¤ RED

4

20Y-62-22820

BAND¤ BLUE

5

08034-00519

BAND

6

203-62-62693

HOSE¤ 2700MM

7

203-62-62575

HOSE¤ 3300MM

8

20Y-62-22790

BAND¤ RED

9

20Y-62-22820

BAND¤ BLUE

10

20Y-62-22850

BAND¤ GREEN

11

08017-32803

CONDUIT

12

08034-00536

BAND

13

20Y-62-18910

BOLT

14

07000-12018

O-RING

|14

07000-02018

O-RING

15

20Y-62-18890

BOLT

16

07000-12015

O-RING

|16

07000-02015

O-RING

17

07235-10210

ELBOW

18

07002-01423

O-RING

19

20Y-62-41390

ADAPTER

|19

421-35-11671

ADAPTER

20

07002-01423

O-RING

21

20Y-06-21710

SWITCH

|21

20Y-06-21711

SWITCH

22

203-06-67330

WIRING HARNESS

23

08036-01014

CLIP

24

01010-81016

BOLT

|24

01010-81016

BOLT

25

01643-31032

WASHER

|25

01643-31032

WASHER

26

20Y-62-27770

CLAMP

27

01010-81020

BOLT

28

01643-31032

WASHER

29

201-62-72570

CLAMP

30

01010-81016

BOLT

31

01643-31032

WASHER

32

08034-00536

BAND

33

20Y-62-15831

BLOCK

34

01010-81045

BOLT

35

01643-31032

WASHER

36

07235-10311

ELBOW

37

07235-10210

ELBOW

38

07002-01423

O-RING

39

208-62-17550

TEE

40

208-62-17550

TEE

41

07002-01423

O-RING

42

20Y-62-15831

BLOCK

43

01010-81045

BOLT

44

01643-31032

WASHER

45

07235-10311

ELBOW

46

07235-10210

ELBOW

47

07002-01423

O-RING

48

208-62-17550

TEE

49

208-62-17550

TEE

50

07002-01423

O-RING

Выбрано товаров: 56