Запчасти Komatsu PC120-6Z ЭЛЕКТРОПРОВОДКА (ОСНОВН. Э/ПРОВОДКА)(№7-) ЭЛЕКТРИКА

Схема запчастей Komatsu PC120-6Z - ЭЛЕКТРОПРОВОДКА (ОСНОВН. Э/ПРОВОДКА)(№7-) ЭЛЕКТРИКА
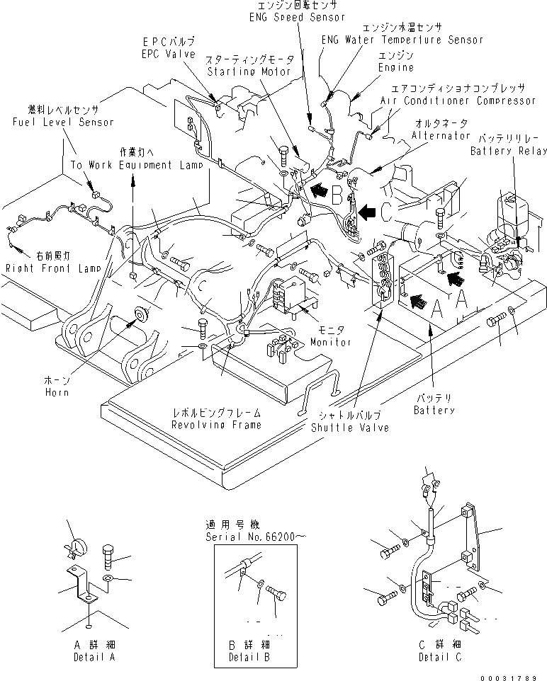
1
2
2A
3
4
5
6
6
6
6A
6B
7
8
9
10
11
12
13
14
15
16
17
18
19
20
21
22
23
23
23
23
23
23
24
24
25
25
26
27
28
29
30
31
32
33
34
35
36
37
38
39
FIT
1:1
100%

Артикул

Название

Примечание

Количество

1

203-06-68141

WIRING HARNESS

1

203-06-68140

WIRING HARNESS

1

203-06-68112

WIRING HARNESS

1

203-06-68111

WIRING HARNESS

2

20Y-06-31660

FUSIBLE LINK, 30A,(CN-M11)

2

20Y-06-15150

FUSIBLE LINK,(CN-M11)

2A

20Y-06-15150

FUSIBLE LINK

3

08035-03014

CLIP

4

01010-81230

BOLT

5

01643-31232

WASHER

6

08035-02514

CLIP

6

08035-02514

CLIP

6A

01010-81220

BOLT

6B

01643-31232

WASHER

7

01010-81225

BOLT

8

01643-31232

WASHER

9

20Y-06-21460

CLIP

10

08036-01014

CLIP

11

01010-81220

BOLT

12

01643-31232

WASHER

13

203-06-61820

BRACKET

14

01010-81230

BOLT

15

01643-31232

WASHER

16

20Y-06-21460

CLIP

17

08036-01814

CLIP

18

01010-81220

BOLT

19

01643-31232

WASHER

20

01010-81020

BOLT

21

01643-31032

WASHER

22

08038-00519

CAP

23

08036-02514

CLIP

24

01010-81225

BOLT

25

01643-31232

WASHER

26

08035-02514

CLIP

27

01010-81220

BOLT

28

01643-31232

WASHER

29

203-06-66130

BRACKET

30

01010-81225

BOLT

31

01643-31232

WASHER

32

203-06-67161

BRACKET

33

01010-81225

BOLT

34

01643-31232

WASHER

35

203-06-67150

WIRING HARNESS

36

08036-01214

CLIP

37

01010-81220

BOLT

38

01643-31232

WASHER

39

08038-10519

CAP

Выбрано товаров: 0