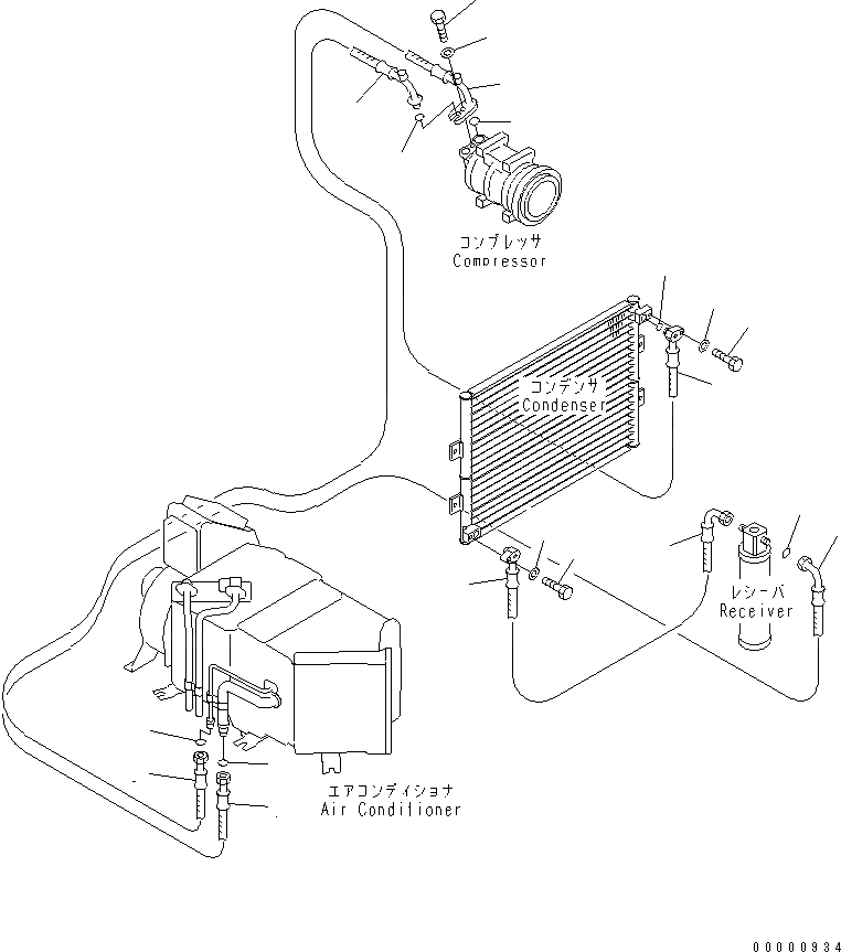
Запчасти Komatsu PC120-6Z КОНДИЦ. ВОЗДУХА (FREON ТРУБЫ)(№-) КАБИНА ОПЕРАТОРА И СИСТЕМА УПРАВЛЕНИЯ

Схема запчастей Komatsu PC120-6Z - КОНДИЦ. ВОЗДУХА (FREON ТРУБЫ)(№-) КАБИНА ОПЕРАТОРА И СИСТЕМА УПРАВЛЕНИЯ
1
1
2
2
3
3
4
4
5
5
6
7
8
9
10
11
12
12
13
14
FIT
1:1
100%

Артикул

Название

Примечание

Количество

1

203-979-6471

HOSE

2

203-979-6390

O-RING

3

203-979-6672

HOSE

4

20Y-979-5660

O-RING

5

203-979-6682

HOSE

6

20Y-979-5650

O-RING

7

TW7003-0200

O-RING

8

01050-51030

BOLT

9

01643-31032

WASHER

10

01010-80835

BOLT

11

01643-30823

WASHER

12

203-979-6772

HOSE, 1050MM

13

01010-80835

BOLT

14

01643-30823

WASHER

Выбрано товаров: 14