Запчасти Komatsu PC120-6Z СТРЕЛА (СТРЕЛА¤ РАБОЧ. ОСВЕЩЕНИЕ И ПАЛЕЦ)(№-) РАБОЧЕЕ ОБОРУДОВАНИЕ

Схема запчастей Komatsu PC120-6Z - СТРЕЛА (СТРЕЛА¤ РАБОЧ. ОСВЕЩЕНИЕ И ПАЛЕЦ)(№-) РАБОЧЕЕ ОБОРУДОВАНИЕ
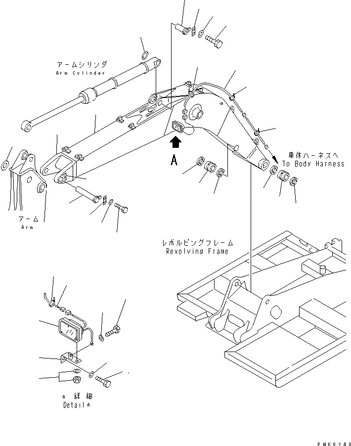
1
2
3
4
4
5
5
6
6
7
7
8
9
10
11
11
12
12
13
13
14
15
16
17
18
19
20
21
22
23
24
25
FIT
1:1
100%

Артикул

Название

Примечание

Количество

|$3

203-70-01410

BOOM ASS'Y

|$4

203-70-00812

BOOM ASS'Y

|$5

203-70-00811

BOOM ASS'Y

1

BOOM

1

BOOM

2

BRACKET (WELDED)

3

203-46-41130

SEAT (WELDED)

4

203-70-66110

BUSHING

4

203-70-56121

BUSHING

5

07145-00070

SEAL,DUST

6

07145-00070

SEAL,DUST

7

20Y-06-25310

WORKING LAMP ASS'Y

7

20Y-06-21480

WORKING LAMP ASS'Y

7

421-06-23330

BULB, 70W

8

20Y-06-21551

BRACKET

8

20Y-06-21550

BRACKET

9

01010-81225

BOLT

9

01010-51225

BOLT

10

01643-31232

WASHER

11

203-06-57230

WIRE

12

08034-40521

BAND

12

203-06-56570

BAND

13

08034-20414

BAND

14

01010-81230

BOLT

14

01010-51230

BOLT

15

01643-31232

WASHER

16

202-70-61210

PIN

17

205-70-66580

PLATE

17

203-46-56270

PLATE

18

01010-81230

BOLT

18

01010-51230

BOLT

19

01643-31232

WASHER

20

20U-70-31340

SPACER, 1.0MM

20

203-70-11210

SPACER, 1.0MM

20

20U-70-31330

SPACER, 0.5MM

20

203-70-34270

SPACER, 0.5MM

21

203-70-42121

PIN

22

205-70-66580

PLATE

22

203-46-56270

PLATE

23

01010-81230

BOLT

23

01010-51230

BOLT

24

01643-31232

WASHER

25

203-70-41461

SPACER

25

203-70-41460

SPACER, 1.0MM

Выбрано товаров: 44