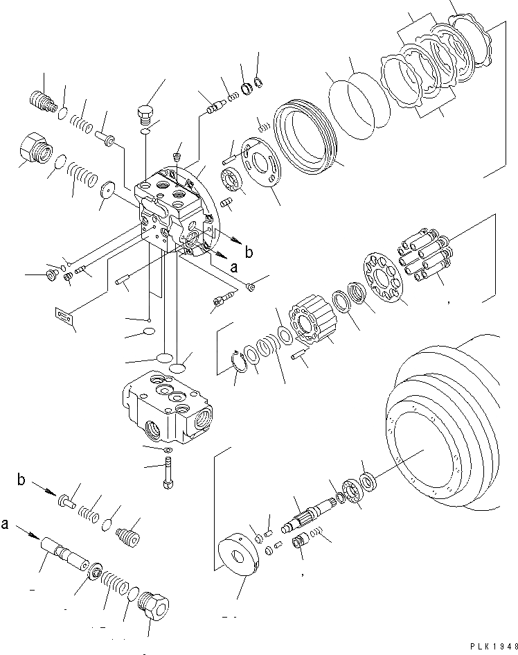
Запчасти Komatsu PC120-6Z ХОД MTOR (МОТОР В СБОРЕ) (GM8VL ТИП)(№7-) ОСНОВН. КОМПОНЕНТЫ И РЕМКОМПЛЕКТЫ

Схема запчастей Komatsu PC120-6Z - ХОД MTOR (МОТОР В СБОРЕ) (GM8VL ТИП)(№7-) ОСНОВН. КОМПОНЕНТЫ И РЕМКОМПЛЕКТЫ
1
1
2
3
4
4
5
6
7
8
8
9
9
10
10
11
11
12
12
13
13
14
14
15
15
16
17
18
19
20
21
22
23
24
25
26
27
28
29
30
31
32
32
33
34
35
36
37
38
39
40
41
42
43
43
44
45
46
47
48
49
50
51
52
53
54
55
56
57
58
59
60
61
FIT
1:1
100%

Артикул

Название

Примечание

Количество

|$0

203-60-63110

TRAVEL MOTOR ASS'Y

|$2

TZ276B200000JR

MOTOR

|$3

TZ276B210000-J

FLANGE ASS'Y

|$4

TZ276B210100-J

FLANGE KIT

1

FLANGE

2

SPOOL

3

TZGM1-8

PLUG

4

TZGDL1-16-S

PLUG

5

TZ263B2079-01

FILTER

6

TZ121F2070-00

ORIFICE

7

TZ850A0006-00

PLATE, NAME

8

TZ860A2051-00

PLUG

9

TZ869A2052-00

RETAINER

10

TZ860A2053-02

PLUG

11

TZ860A2054-01

VALVE

12

TZ860A2056-00

SPRING

13

TZ860A2055-00

SPRING

14

TZJB2401-P26-9

O-RING (K1)

15

07000-12016

O-RING (K1)

16

07000-12010

O-RING (K1)

17

TZ200B2073-00

VALVE

18

TZ300B2039-00

STOPPER

19

TZ300B2042-00

RING

20

TZ300B2043-01

SPRING

21

04260-00952

BALL

22

TZ512B2021-00

PLUG

23

04260-00793

BALL

24

TZ269B2002-00

SHAFT

25

TZ263B200301-J

PLATE

26

TZ263B2004-04

BLOCK

|$31

TZ263B2105-00

PISTON KIT

|$32

PISTON ASS'Y

27

PISTON

28

SHOE

29

TZ263B2007-01

PLATE

30

TZ263B2008-00

BOWL

31

TZ263B2009-01

PLATE

32

TZ880A2010-00

WASHER

33

TZ263B2011-03

WASHER

34

TZ266B2012-00

PISTON

35

TZ800A2013-00

SPRING

36

TZ263B2093-01

SPRING

37

TZ800A2015-00

PLATE

38

TZ800A2016-00

PLATE

39

TZ263B2074-00

PLATE

40

TZ100A2021-00

PLUG

41

TZ15Z-25-42-10

SEAL (K1)

42

TZ266B2035-00

O-RING (K1)

43

07000-12018

O-RING (K1)

44

TZ266B2039-00

O-RING (K1)

45

TZJB1354-4-10

PIN

46

TZJB1354-10-25

PIN

47

01252-31030

BOLT

48

TZTH-R-42

RING, SNAP

49

TZ263B2048-00

BEARING

50

TZ263B2049-00

BEARING

51

TZ263B2098-00

PIN

|$58

TZ263B2070-00

PISTON

52

PISTON

53

SHOE

54

TZ263B2076-02

PIVOT

55

TZ263B2014-00

COLLAR

56

01252-30865

BOLT

57

TZ263B2077-01

PIN

58

07002-02034

O-RING (K1)

59

TZSW-M8

WASHER

60

TZ263B2090-00

SPRING

61

07000-12011

O-RING (K1)

Выбрано товаров: 68