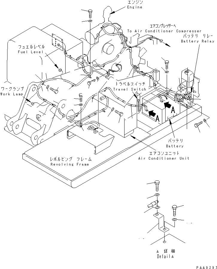
Запчасти Komatsu PC120-6Z ЭЛЕКТРОПРОВОДКА (ОСНОВН. Э/ПРОВОДКА)(№-) ЭЛЕКТРИКА

Схема запчастей Komatsu PC120-6Z - ЭЛЕКТРОПРОВОДКА (ОСНОВН. Э/ПРОВОДКА)(№-) ЭЛЕКТРИКА
1
2
3
4
5
6
6
6
7
8
9
10
11
12
13
14
15
16
16
17
18
19
20
21
22
23
23
23
23
24
25
26
27
28
29
30
31
32
FIT
1:1
100%

Артикул

Название

Примечание

Количество

1

203-06-62113

WIRING HARNESS

|1

08020-00000

DIODE

|1

08034-00519

BAND

2

20Y-06-15150

FUSIBLE LINK

3

08035-03014

CLIP

4

01010-51230

BOLT

5

01643-31232

WASHER

6

08035-02514

CLIP

7

01010-51220

BOLT

8

01643-31232

WASHER

9

20Y-06-21460

CLIP

10

08036-01014

CLIP

11

01010-51220

BOLT

12

01643-31232

WASHER

13

203-06-61820

BRACKET

14

01010-51230

BOLT

15

01643-31232

WASHER

16

20Y-06-21460

CLIP

17

08036-01814

CLIP

18

01010-51220

BOLT

19

01643-31232

WASHER

20

01010-51020

BOLT

21

01643-31032

WASHER

22

08038-00519

CAP

23

08036-02514

CLIP

24

01010-51220

BOLT

25

01643-31232

WASHER

26

08035-02514

CLIP

27

01010-51220

BOLT

28

01643-31232

WASHER

29

08035-01510

CLIP

30

01010-51020

BOLT

31

01643-31232

WASHER

32

08038-10519

CAP

Выбрано товаров: 34