Запчасти Komatsu PC120-6Z ХОД MTOR (МОТОР В СБОРЕ) (GM8L ТИП)(№-) ОСНОВН. КОМПОНЕНТЫ И РЕМКОМПЛЕКТЫ

Схема запчастей Komatsu PC120-6Z - ХОД MTOR (МОТОР В СБОРЕ) (GM8L ТИП)(№-) ОСНОВН. КОМПОНЕНТЫ И РЕМКОМПЛЕКТЫ
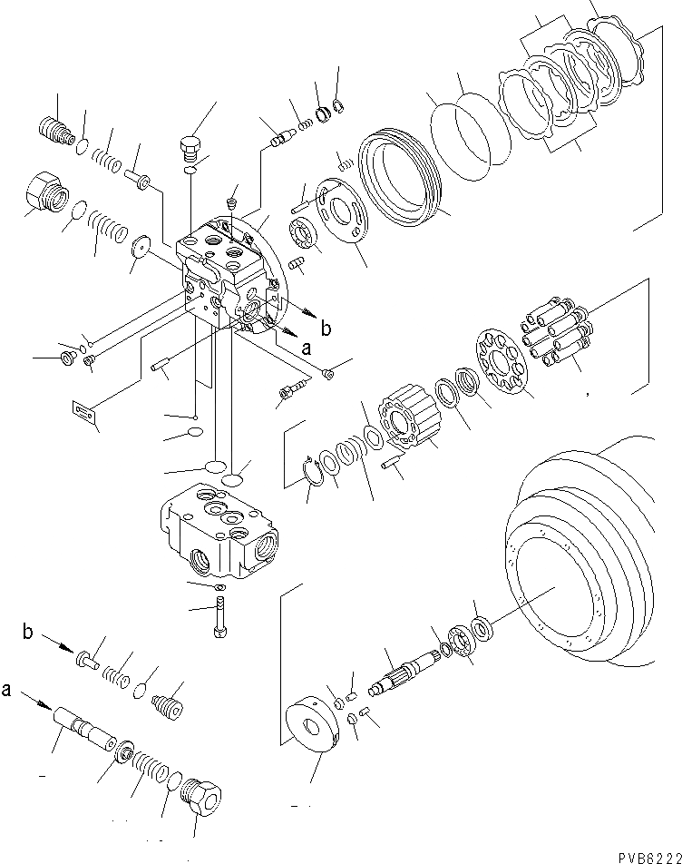
1
2
3
4
4
5
6
7
7
8
8
9
9
10
10
11
11
12
12
13
13
14
14
15
16
17
18
19
20
21
22
23
24
25
26
27
28
29
30
31
31
32
33
34
35
36
37
38
39
40
41
42
42
43
44
45
46
47
48
49
50
51
51
52
53
54
54
55
56
57
FIT
1:1
100%

Артикул

Название

Примечание

Количество

|1

203-60-63410

TRAVEL MOTOR ASS'Y

|1

TZ254A200001JU

MOTOR

|1

TZ254A210000-U

FLANGE ASS'Y

|1

TZ254A210100-U

FLANGE KIT

1

FLANGE

2

SPOOL

3

TZGM1-8

PLUG

4

TZGDL1-16-S

PLUG

5

TZ263B2079-01

FILTER

6

TZ850A0006-00

PLATE¤ NAME

7

TZ860A2051-00

PLUG

8

TZ869A2052-00

RETAINER

9

TZ860A2053-02

PLUG

10

TZ860A2054-01

VALVE

11

TZ860A2056-00

SPRING

12

TZ860A2055-01

SPRING

13

TZJB2401-P26-9

O-RING (K1)

14

07000-12016

O-RING (K1)

15

07000-12010

O-RING (K1)

16

TZ600F2073-00

VALVE ASS'Y

17

TZ300B2039-00

STOPPER

18

TZ300B2042-00

RING

19

TZ300B2043-01

SPRING

20

04260-00952

BALL

21

TZ512B2021-00

PLUG

22

04260-00793

BALL

23

TZ269B2002-00

SHAFT

24

TZ263B200301-J

PLATE

25

TZ263B2004-04

BLOCK

|26

TZ263B2105-00

PISTON KIT

|26

PISTON ASS'Y

26

PISTON

27

SHOE

28

TZ277B2007-00

PLATE

29

TZ263B2008-00

BOWL

30

TZ263B2009-01

PLATE

31

TZ880A2010-00

WASHER

32

TZ263B2011-03

WASHER

33

TZ266B2012-00

PISTON

34

TZ800A2013-00

SPRING

35

TZ263B2093-01

SPRING

36

TZ800A2015-00

PLATE

37

TZ800A2016-00

PLATE

38

TZ263B2074-00

PLATE

39

TZ100A2021-00

PLUG

40

TZ15Z-25-42-10

SEAL (K1)

41

TZ266B2035-00

O-RING (K1)

42

07000-12018

O-RING (K1)

43

TZ266B2039-00

O-RING (K1)

44

TZJB1354-4-10

PIN

45

TZJB1354-10-25

PIN

46

01252-31030

BOLT

47

TZTH-R-42

RING

48

TZ263B2048-00

BEARING

49

TZ263B2049-00

BEARING

50

TZ263B2098-00

PIN

51

TZ263B2076-02

PIVOT

52

TZ263B2014-00

COLLAR

53

01252-30865

BOLT

54

TZ263B2077-01

PIN

55

07002-02034

O-RING (K1)

56

TZSW-M8

WASHER

57

07000-12011

O-RING (K1)

Выбрано товаров: 63