Запчасти Komatsu PC120S-3 ГИДР. НАСОС.¤ ЗАДН. (/) УПРАВЛ-Е РАБОЧИМ ОБОРУДОВАНИЕМ

Схема запчастей Komatsu PC120S-3 - ГИДР. НАСОС.¤ ЗАДН. (/) УПРАВЛ-Е РАБОЧИМ ОБОРУДОВАНИЕМ
FIT
1:1
100%

Артикул

Название

Примечание

Количество

|1

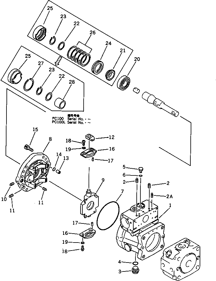
708-23-01012

PUMP ASS'Y (HPV55+55)

|1

708-23-01011

PUMP ASS'Y (HPV55+55)

|1

708-23-01010

PUMP ASS'Y (HPV55+55)

|1

708-23-10101

PUMP ASS'Y (HPV55+55)

|1

708-23-11101

PUMP SUB ASS'Y

|1

708-23-11100

PUMP SUB ASS'Y

|1

708-23-00350

CASE ASS'Y

|1

708-23-00091

CASE ASS'Y

1

CASE,REAR

|1

CASE,REAR

2

PLUG

|2

PLUG

2A

PLUG

|2A

PLUG

3

07044-12412

PLUG

4

07002-02434

O-RING

5

720-68-19870

PLUG

6

07002-01223

O-RING

7

706-73-42370

O-RING

|8

708-23-00370

CRADLE ASS'Y,REAR

|8

708-23-00120

CRADLE ASS'Y,REAR

8

CRADLE,REAR

|8

CRADLE,REAR

9

CAM,CAM

10

PLUG

|10

PLUG

11

PLUG

12

708-23-14120

SLIDER

13

708-23-12330

JOINT

14

07000-12015

O-RING

15

708-25-12350

BOLT

16

708-23-12340

PLATE

17

708-23-12370

PIN

18

708-23-12350

SCREW

19

01643-30823

WASHER

20

708-23-12751

BEARING

|20

708-23-12750

BEARING

21

708-23-12780

RETAINER

22

708-23-05010

WASHER KIT

|22

WASHER¤ 2.60MM

|22

WASHER¤ 2.70MM

|22

WASHER¤ 2.80MM

|22

WASHER¤ 2.90MM

23

708-23-12840

RING,SNAP

24

06000-51109

BEARING

25

708-23-12650

RETAINER

|25

708-23-12950

RETAINER

26

708-23-05070

SHIM KIT

|26

SHIM

|26

SHIM

|26

SHIM

27

708-23-12660

RING

28

708-23-12670

COLLAR

Выбрано товаров: 53