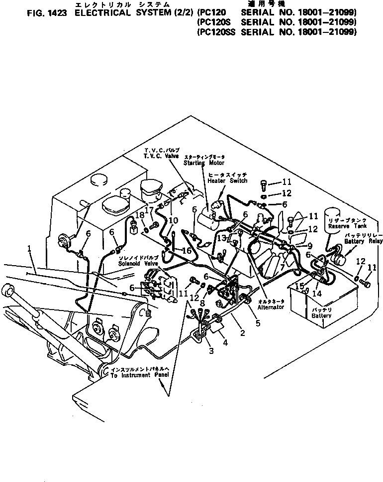
Запчасти Komatsu PC120S-3 ЭЛЕКТРИКА(ЭЛЕКТРОПРОВОДКА)(W/АВТОМ. ЗАМЕДЛЕНИЕ ОБОРОТОВ)(W/ПОВОРОТН. МЕХАНИЧ.BRA.)(W/-STAGE SELECT. MODE OLSS)(№8-99) КОМПОНЕНТЫ ДВИГАТЕЛЯ И ЭЛЕКТРИКА

Схема запчастей Komatsu PC120S-3 - ЭЛЕКТРИКА(ЭЛЕКТРОПРОВОДКА)(W/АВТОМ. ЗАМЕДЛЕНИЕ ОБОРОТОВ)(W/ПОВОРОТН. МЕХАНИЧ.BRA.)(W/-STAGE SELECT. MODE OLSS)(№8-99) КОМПОНЕНТЫ ДВИГАТЕЛЯ И ЭЛЕКТРИКА
FIT
1:1
100%

Артикул

Название

Примечание

Количество

1

203-06-41780

WIRE

2

203-06-41533

WIRE ASS'Y

|2

203-06-41532

WIRE ASS'Y

3

176-911-4160

GROMMET

4

203-06-41150

GROMMET

5

150-952-7160

GROMMET

6

08036-01814

CLIP

7

08036-01414

CLIP

8

08036-10814

CLIP

9

08036-11214

CLIP

10

08036-10614

CLIP

11

01010-51020

BOLT

12

01643-31032

WASHER

13

08038-00519

CAP

14

203-04-31230

COVER

15

08038-00519

CAP

16

08028-12025

CABLE

17

01010-51016

BOLT

18

01643-31032

WASHER

Выбрано товаров: 19