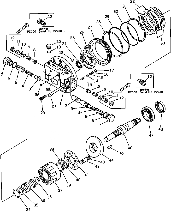
Запчасти Komatsu PC120S-3 МОТОР ХОДА (/) (ДЛЯ ЯПОН.) ХОД И КОНЕЧНАЯ ПЕРЕДАЧА

Схема запчастей Komatsu PC120S-3 - МОТОР ХОДА (/) (ДЛЯ ЯПОН.) ХОД И КОНЕЧНАЯ ПЕРЕДАЧА
FIT
1:1
100%

Артикул

Название

Примечание

Количество

|1

203-60-00302

TRAVEL MOTOR ASS'Y

|1

203-60-00301

TRAVEL MOTOR ASS'Y

|1

203-60-00300

TRAVEL MOTOR ASS'Y

|1

203-60-41101

TRAVEL MOTOR ASS'Y

|1

TZ150A210101-E

FLANGE KIT

1

FLANGE,REAR

2

SPOOL

3

TZMB700-050

PLUG

3A

TZGM1-8

PLUG

3B

TZ850A0006-00

PLATE¤ NAME

4

TZ200A2056-00

SPRING

5

TZ100A2055-00

SPRING

6

07000-13032

O-RING (KIT)

7

TZ100A2051-00

PLUG

8

TZ100A2054-01

VALVE

9

TZ100A2057-01

SPRING

10

07000-12020

O-RING (KIT)

11

TZ150A2058-00

GUIDE

12

TZ100A2053-01

PLUG

|12

TZ150A2053-00

PLUG

13

TZ430F2019-00

VALVE

14

TZ100A2020-00

SPRING

15

07000-11009

O-RING (KIT)

16

TZ100A2018-00

SEAT,VALVE

17

TZ100A2022-00

RING

18

TZJB1354-5-12

PIN,DOWEL

19

07002-02034

O-RING (KIT)

20

TZ100A2021-00

PLUG

21

TZJB1354-10-28

PIN,DOWEL

22

TZ200A2052-00

STOPPER

23

01252-31440

BOLT

24

06000-06005

BEARING

25

TZ210A2009-00

PLATE,TIMING

26

TZ100A2013-00

SPRING

27

TZ231F2012-00

PISTON

28

TZSUN-2BG170

RING,BACK-UP (KIT)

29

07000-15170

O-RING (KIT)

30

07000-15145

O-RING (KIT)

31

TZ231F2023-00

RING,BACK-UP (KIT)

32

TZ100A2016-00

PLATE

33

TZ200A2015-00

DISC

34

TZIRTW-55

RING,SNAP

35

TZ150A2010-00

WASHER

36

TZ430F2028-00

SPRING

37

TZ150A2004-00

BLOCK,CYLINDER

38

TZJB1354-3-30

PIN,DOWEL

39

TZ100A2011-00

WASHER KIT

40

TZ100A2008-00

BALL,THRUST

41

TZ100A2007-0

PLATE,RETAINER

|42

TZ430A2105-00

PISTON ASS'Y

42

PISTON

43

SHOE

44

TZ200A2003-00E

PLATE,SWASH

45

TZ150A2017-00

PIN

46

TZ150A2002-00

SHAFT

47

TZ150A2049-00

BEARING

48

TZTCN-48-70-12

SEAL,OIL (KIT)

|49

TZ150A9000-02

SEAL KIT

|49

TZ150A9000-00

SEAL KIT

|49

TZJW1516-G26-9

O-RING

|49

07000-15260

O-RING

|49

TZES100-209-A

SEAL,FLOATING

|49

07000-11006

O-RING

|49

TZJW1516-G41-9

O-RING

|49

TZJW1516-P77-7

O-RING

|49

07000-15270

O-RING

|49

07000-13032

O-RING

|49

07000-12020

O-RING

|49

07000-11009

O-RING

|49

07002-02034

O-RING

|49

TZSUN-2BG170

RING,BACK-UP

|49

07000-15170

O-RING

|49

07000-15145

O-RING

|49

TZ231F2023-00

RING,BACK-UP

|49

TZTCN-48-70-12

SEAL,OIL

Выбрано товаров: 75