Запчасти Komatsu PC120S-3 ГУСЕНИЦЫ (ТРОЙНОЙ ГРУНТОЗАЦЕП. С ОТВЕРСТИЯМИ) ХОДОВАЯ

Схема запчастей Komatsu PC120S-3 - ГУСЕНИЦЫ (ТРОЙНОЙ ГРУНТОЗАЦЕП. С ОТВЕРСТИЯМИ) ХОДОВАЯ
FIT
1:1
100%

Артикул

Название

Примечание

Количество

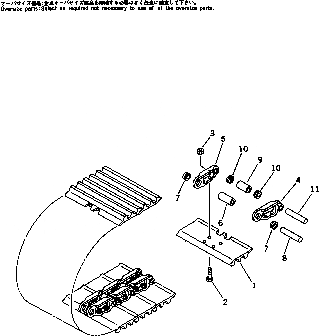
|1

203-32-01022

TRACK SHOE ASS'Y

|1

203-32-01021

TRACK SHOE ASS'Y

|1

203-32-01020

TRACK SHOE ASS'Y

1

203-32-41111

SHOE,TRACK

|1

203-32-41110

SHOE,TRACK

2

203-32-21210

BOLT¤ SHOE (KIT)

3

01803-01420

NUT,SHOE (KIT)

|4

203-32-00011

TRACK LINK ASS'Y

|4

203-32-00010

TRACK LINK ASS'Y

4

110-32-11322

LINK,TRACK¤ L.H.

5

110-32-11332

LINK,TRACK¤ R.H.

6

203-32-11342

BUSHING,REGULAR

|6

203-32-11341

BUSHING,REGULAR

7

203-32-11360

SEAL,DUST¤ REGULAR

8

203-32-11351

PIN,REGULAR

9

203-32-11372

BUSHING,MASTER

|9

203-32-11371

BUSHING,MASTER

10

203-32-11380

SEAL,DUST¤ MASTER

11

203-32-11391

PIN,MASTER

|1

203-32-01032

TRACK SHOE ASS'Y

|1

203-32-01031

TRACK SHOE ASS'Y

|1

203-32-01030

TRACK SHOE ASS'Y

1

202-32-11281

SHOE,TRACK

|1

202-32-11280

SHOE,TRACK

2

203-32-21210

BOLT¤ SHOE (KIT)

3

01803-01420

NUT,SHOE (KIT)

4

203-32-00011

TRACK LINK ASS'Y

|4

203-32-00010

TRACK LINK ASS'Y

|1

203-32-01042

TRACK SHOE ASS'Y

|1

203-32-01041

TRACK SHOE ASS'Y

|1

203-32-01040

TRACK SHOE ASS'Y

1

202-32-11293

SHOE,TRACK

|1

202-32-11292

SHOE,TRACK

2

203-32-21210

BOLT¤ SHOE (KIT)

3

01803-01420

NUT,SHOE (KIT)

4

203-32-00011

TRACK LINK ASS'Y

|4

203-32-00010

TRACK LINK ASS'Y

|1

203-32-01052

TRACK SHOE ASS'Y

|1

203-32-01051

TRACK SHOE ASS'Y

|1

203-32-01050

TRACK SHOE ASS'Y

1

202-32-21111

SHOE,TRACK

|1

202-32-21110

SHOE,TRACK

2

203-32-21210

BOLT¤ SHOE (KIT)

3

01803-01420

NUT,SHOE (KIT)

4

203-32-00011

TRACK LINK ASS'Y

|4

203-32-00010

TRACK LINK ASS'Y

|1

203-32-01062

TRACK SHOE ASS'Y

|1

203-32-01061

TRACK SHOE ASS'Y

|1

203-32-01060

TRACK SHOE ASS'Y

1

203-32-11141

SHOE,TRACK

|1

203-32-11140

SHOE,TRACK

2

203-32-21210

BOLT¤ SHOE (KIT)

3

01803-01420

NUT,SHOE (KIT)

4

203-32-00011

TRACK LINK ASS'Y

|4

203-32-00010

TRACK LINK ASS'Y

|1

203-32-05010

SHOE BOLT AND NUT K.

1

203-32-21210

BOLT¤ SHOE

2

01803-01420

NUT,SHOE

6

202-98-09112

BUSHING,REGULAR

|6

202-98-09111

BUSHING,REGULAR

8

202-98-09011

PIN,REGULAR

9

202-98-09142

BUSHING,MASTER

|9

202-98-09141

BUSHING,MASTER

11

202-98-09041

PIN,MASTER

6

202-98-09132

BUSHING,REGULAR

|6

202-98-09131

BUSHING,REGULAR

8

202-98-09031

PIN,REGULAR

9

202-98-09162

BUSHING,MASTER

|9

202-98-09161

BUSHING,MASTER

11

202-98-09061

PIN,MASTER

Выбрано товаров: 0