Запчасти Komatsu PC120SS-3 ГИДР. НАСОС. БЛОК УПРАВЛ-Е РАБОЧИМ ОБОРУДОВАНИЕМ

Схема запчастей Komatsu PC120SS-3 - ГИДР. НАСОС. БЛОК УПРАВЛ-Е РАБОЧИМ ОБОРУДОВАНИЕМ
FIT
1:1
100%

Артикул

Название

Примечание

Количество

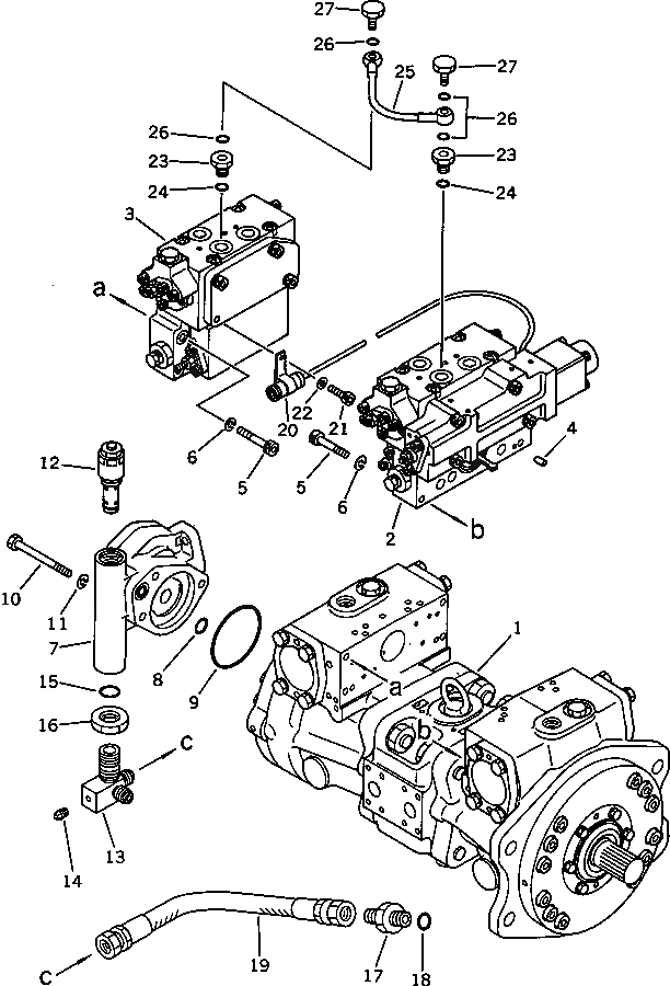
|1

708-23-01012

PUMP ASS'Y (HPV55+55)

|1

708-23-01011

PUMP ASS'Y (HPV55+55)

|1

708-23-01010

PUMP ASS'Y (HPV55+55)

|1

708-23-10101

PUMP ASS'Y (HPV55+55)

1

708-23-11101

PUMP SUB ASS'Y

|1

708-23-11100

PUMP SUB ASS'Y

2

708-23-07111

SERVO VALVE ASS'Y,FRONT

|2

708-23-07110

SERVO VALVE ASS'Y,FRONT

|2

708-23-15100

SERVO VALVE ASS'Y,FRONT

3

708-23-07211

SERVO VALVE ASS'Y,REAR

|3

708-23-07210

SERVO VALVE ASS'Y,REAR

|3

708-23-16100

SERVO VALVE ASS'Y,REAR

4

04020-00616

PIN,DOWEL

5

708-25-19130

BOLT

6

01602-00825

WASHER,SPRING

7

704-24-26401

PUMP ASS'Y

|7

704-24-26400

PUMP ASS'Y

8

07000-02018

O-RING

9

07000-02075

O-RING

10

01010-51085

BOLT

11

01602-01030

WASHER,SPRING

12

708-23-14801

VALVE ASS'Y

|12

708-23-14800

VALVE ASS'Y

13

708-23-19110

ELBOW

14

07042-30108

PLUG

15

07002-02434

O-RING

16

07239-12410

NUT

17

07230-10315

UNION

18

07002-02034

O-RING

19

07102-20303

HOSE

20

08036-21814

CLIP

21

01010-30812

BOLT

22

01643-30823

WASHER

23

706-46-53260

PLUG

24

07002-01423

O-RING

25

708-23-19120

TUBE

26

07000-02012

O-RING

27

706-46-53180

BOLT,EYE

Выбрано товаров: 0