Запчасти Komatsu PC120SS-3 ГИДРАВЛ МАСЛ. И ТОПЛИВН. БАК.(№-) УПРАВЛ-Е РАБОЧИМ ОБОРУДОВАНИЕМ

Схема запчастей Komatsu PC120SS-3 - ГИДРАВЛ МАСЛ. И ТОПЛИВН. БАК.(№-) УПРАВЛ-Е РАБОЧИМ ОБОРУДОВАНИЕМ
FIT
1:1
100%

Артикул

Название

Примечание

Количество

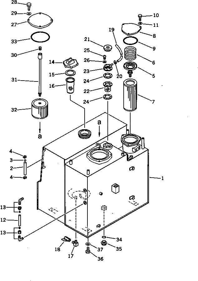
|1

203-60-00201

HYDRAULIC TANK ASS'Y

|1

203-60-00211

HYDRAULIC TANK ASS'Y,(FOR SELF SUPPLY PUMP)

1

203-60-42114

TANK

|1

203-60-42211

TANK,(FOR SELF SUPPLY PUMP)

2

203-60-42180

TUBE

3

201-04-21160

BALL,FLOAT

4

07281-00197

CLAMP

5

175-60-27300

VALVE ASS'Y

6

175-60-27340

SPRING

7

175-60-27380

ELEMENT

8

203-60-31172

COVER

9

07000-05155

O-RING

10

01010-51025

BOLT

11

01643-31032

WASHER

12

203-60-31160

TUBE

13

203-60-31100

ELBOW ASS'Y

14

07050-21200

CAP

|14

07091-11200

CAP,(FOR VANDALISM PROTECTION)

15

07050-21202

GASKET

16

07056-18416

STRAINER

17

20D-68-11670

ELBOW

18

07700-40240

VALVE

19

203-60-12170

TUBE

20

07280-01110

CLAMP

21

201-60-12190

CAP ASS'Y

22

205-60-51480

SCREEN

23

201-60-12171

FILLER NECK,NECK

24

205-60-51460

GASKET

25

01220-40516

SCREW

26

01601-20513

WASHER,SPRING

27

21K-60-11180

COVER

28

01010-51025

BOLT

29

01643-31032

WASHER

30

12R-60-11230

SPRING

31

203-60-42160

ROD

32

21K-60-11190

STRAINER

33

07000-05180

O-RING

34

07002-03634

O-RING

35

07044-13620

PLUG

36

01010-51435

BOLT

37

01643-31445

WASHER

Выбрано товаров: 41