Запчасти Komatsu PC120SS-3 МАРКИРОВКА (ДЛЯ УДЛИНН. РЫЧАГ УПРАВЛ-Е) СПЕЦ. APPLICATION ЧАСТИ¤ МАРКИРОВКА¤ ИНСТРУМЕНТ И РЕМКОМПЛЕКТЫ

Схема запчастей Komatsu PC120SS-3 - МАРКИРОВКА (ДЛЯ УДЛИНН. РЫЧАГ УПРАВЛ-Е) СПЕЦ. APPLICATION ЧАСТИ¤ МАРКИРОВКА¤ ИНСТРУМЕНТ И РЕМКОМПЛЕКТЫ
FIT
1:1
100%

Артикул

Название

Примечание

Количество

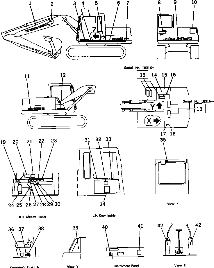
1

09690-41250

PLATE¤ MARK,KOMATSU

2

203-00-42130

PLATE¤ MARK

3

09690-50500

PLATE¤ MARK,KOMATSU

4

205-00-63770

PLATE

5

09602-01643

PLATE¤ NAME,(LIMITED SUPPLY)

|5

01220-60408

SCREW

|5

01601-20410

WASHER,SPRING

6

203-00-41140

PLATE¤ STRIPE,STRIPE

7

203-00-42111

PLATE,PC120SS

8

203-00-42130

PLATE¤ MARK

9

203-00-41131

PLATE¤ MARK,KOMATSU

10

09133-00100

PLATE¤ SAFETY,KEEP OUT OF TURNING AREA

11

203-00-42121

PLATE,PC120SS

12

09690-50500

PLATE¤ MARK,KOMATSU

13

154-54-23260

SEAT,NONSKID

14

09669-00002

PLATE¤ CAUTION,FUEL

15

09669-00003

PLATE¤ CAUTION,HYDRAULIC OIL TANK

16

09653-00100

PLATE¤ SAFETY,HYDRAULIC TANK CAP

17

09668-00100

PLATE¤ SAFETY,RADIATOR CAP

18

09650-01103

PLATE¤ INSTRUCTION,RADIATOR

19

205-00-52192

PLATE¤ CAUTION

20

205-00-71291

PLATE¤ OPERATING

|20

205-00-71290

PLATE¤ OPERATING

21

205-00-71350

PLATE¤ OPERATING

22

09649-00101

PLATE¤ INSTRUCTION

23

205-00-63540

PLATE¤ CAUTION

24

203-00-31320

PLATE¤ CAUTION

25

09131-00100

PLATE¤ SAFETY,SWING LOCK LEVER

26

09685-00002

PLATE¤ OPERATING,SWING LOCK LEVER

27

205-00-63250

PLATE¤ CAUTION

28

09651-00100

PLATE¤ SAFETY,BEFORE OPERATING

29

09173-00100

PLATE¤ SAFETY,INSPECTION AND MAINTENANCE

30

203-00-31330

PLATE¤ OPERATING

31

203-54-41453

COVER

|31

203-54-41452

COVER

|31

203-54-41451

COVER

32

205-00-71310

PLATE¤ CAUTION

33

205-00-71340

PLATE¤ OPERATING,DOOR LOCK

34

203-00-41151

CHART¤ OIL

|34

203-00-41150

CHART¤ OIL

35

205-00-63230

PLATE¤ CAUTION

36

203-00-41160

PLATE¤ DATA

37

09667-00100

PLATE¤ SAFETY

38

203-00-41180

PLATE¤ OPERATING

39

203-00-31120

PLATE¤ INSTRUCTION,HYDRAULIC OIL TANK

40

09683-01060

PLATE¤ OPERATING

41

203-00-41250

PLATE¤ OPERATING

42

09685-00001

PLATE¤ OPERATING,SAFETY LOCK LEVER

Выбрано товаров: 48