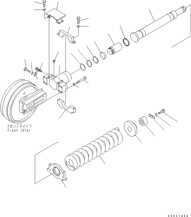
Запчасти Komatsu PC1250-7 ГУСЕНИЧНАЯ РАМА (ОПОРНЫЙ ЭЛЕМЕНТ ЛЕНИВЦА) (ПРАВ.)(№-) ХОДОВАЯ

Схема запчастей Komatsu PC1250-7 - ГУСЕНИЧНАЯ РАМА (ОПОРНЫЙ ЭЛЕМЕНТ ЛЕНИВЦА) (ПРАВ.)(№-) ХОДОВАЯ
1
2
3
4
5
6
7
8
9
10
11
12
13
14
15
16
17
18
19
20
21
22
23
24
25
26
27
28
29
FIT
1:1
100%

Артикул

Название

Примечание

Количество

1

21N-30-37620

YOKE

2

21N-30-34120

PLUNGER

3

21N-30-14160

PACKING

4

21N-30-14170

RING

5

04070-00140

RING

6

07155-01640

RING

7

21N-30-14180

SEAL

8

07959-20001

VALVE

9

205-30-72170

PLATE

10

01010-81225

BOLT

11

01643-31232

WASHER

12

07043-70108

PLUG

13

21N-30-32940

GUARD

14

01010-81635

BOLT

15

01643-31645

WASHER

16

21N-30-32950

PLATE

17

21N-30-32960

PLATE

18

01010-82060

BOLT

19

01643-32060

WASHER

20

20X-46-11320

BOLT

21

01643-32460

WASHER

22

21N-30-34131

FLANGE

23

21N-30-34141

ROD

24

21N-30-34151

SPRING

25

21N-30-34160

COLLAR

26

21N-30-34170

NUT

27

209-30-65160

LOCK

28

01010-81640

BOLT

29

01643-31645

WASHER

Выбрано товаров: 29