Запчасти Komatsu PC1250-7 NO. НАСОС (СОЕДИНИТ. ЧАСТИ) (МОРОЗОУСТОЙЧИВ. СПЕЦИФ-Я) ГИДРАВЛИКА

Схема запчастей Komatsu PC1250-7 - NO. НАСОС (СОЕДИНИТ. ЧАСТИ) (МОРОЗОУСТОЙЧИВ. СПЕЦИФ-Я) ГИДРАВЛИКА
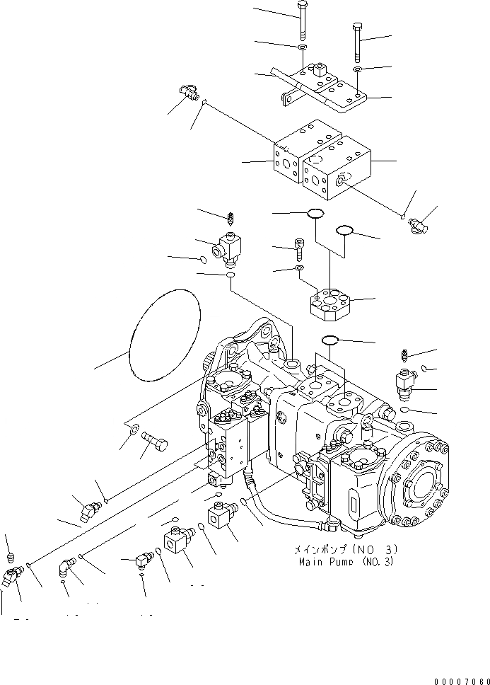
1
2
3
4
5
6
7
8
9
10
11
12
13
14
15
16
17
18
18
19
19
20
21
22
23
24
25
26
27
28
29
30
31
32
33
34
35
35
36
36
37
37
38
39
40
41
42
43
FIT
1:1
100%

Артикул

Название

Примечание

Количество

1

07000-E5270

O-RING

2

01010-82065

BOLT

3

01643-32060

WASHER

4

21N-62-11361

FLANGE

5

07000-B3038

O-RING

6

01252-71235

BOLT

7

01643-51232

WASHER

8

21N-62-31371

BLOCK

9

07000-B3038

O-RING

10

21N-62-31420

BRACKET

11

01011-81220

BOLT

12

01643-31232

WASHER

13

21N-62-31651

BLOCK

14

07000-B3038

O-RING

15

21N-62-33330

BRACKET

16

01011-81220

BOLT

17

01643-31232

WASHER

18

209-62-61310

NIPPLE ASS'Y

19

209-62-61330

O-RING

20

21N-64-36840

ELBOW

21

07002-12434

O-RING

22

207-62-64740

O-RING

23

20B-27-11210

BLEEDER

24

21N-64-36890

ELBOW

25

07002-12434

O-RING

26

02896-11018

O-RING

27

20B-27-11210

BLEEDER

28

21N-64-36420

ELBOW

29

07002-11423

O-RING

30

02896-11009

O-RING

31

07042-30108

PLUG

32

11Y-62-12510

ELBOW

33

07002-11423

O-RING

34

02896-11009

O-RING

35

21N-64-36980

ELBOW

36

07002-12434

O-RING

37

02896-11018

O-RING

38

02782-10522

ELBOW

39

07002-12034

O-RING

40

02896-11015

O-RING

41

21W-62-42490

ELBOW

42

07002-11423

O-RING

43

02896-11009

O-RING

Выбрано товаров: 0