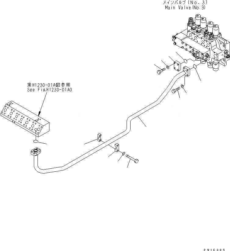
Запчасти Komatsu PC1250-7 ЛИНИЯ КОВШАS (NO. КЛАПАН) ГИДРАВЛИКА
1
2
3
4
5
6
7
8
9
10
11
12
13
FIT
1:1
100%
№
Артикул
Название
Примечание
Количество
1
21N-62-37670
TUBE
2
07000-B3048
O-RING
3
07000-B3048
O-RING
4
01010-81455
BOLT
5
01643-31445
WASHER
6
209-62-52220
PLATE
7
07000-B3048
O-RING
8
01010-81455
BOLT
9
01643-31445
WASHER
10
176-61-41330
CLAMP
11
176-61-41320
CLAMP
12
01010-81265
BOLT
13
01643-31232
WASHER
Выбрано товаров: 13