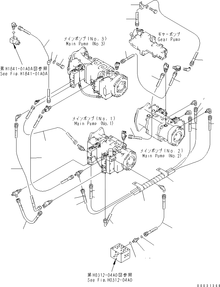
Запчасти Komatsu PC1250-7 O.L.S.S. ЛИНИИ (ОСНОВН. НАСОС) ГИДРАВЛИКА

Схема запчастей Komatsu PC1250-7 - O.L.S.S. ЛИНИИ (ОСНОВН. НАСОС) ГИДРАВЛИКА
1
2
3
4
5
6
7
8
9
10
11
12
13
13
14
14
15
15
16
16
17
17
18
18
19
19
20
21
21
22
22
FIT
1:1
100%

Артикул

Название

Примечание

Количество

1

02762-00508

HOSE

2

04434-52312

CLIP

3

01010-81225

BOLT

4

01643-31232

WASHER

5

02762-00507

HOSE

6

21N-62-36660

HOSE, 200MM

7

02761-003A5

HOSE

8

02761-00306

HOSE

9

02777-00304

HOSE

10

02781-00315

UNION

11

07002-62034

O-RING

12

02896-61009

O-RING

13

02760-00309

HOSE, 900MM

14

02760-00311

HOSE

15

02761-00309

HOSE

16

20Y-62-22790

BAND, RED

17

20Y-62-22820

BAND, BLUE

18

113-899-7950

CLIP

19

21N-62-36840

HOSE ASS'Y

19

02762-00308

HOSE

20

04434-51512

CLIP

21

02762-00304

HOSE

22

02762-00607

HOSE

Выбрано товаров: 23