Запчасти Komatsu PC1250-7 КАПОТ ЧАСТИ КОРПУСА

Схема запчастей Komatsu PC1250-7 - КАПОТ ЧАСТИ КОРПУСА
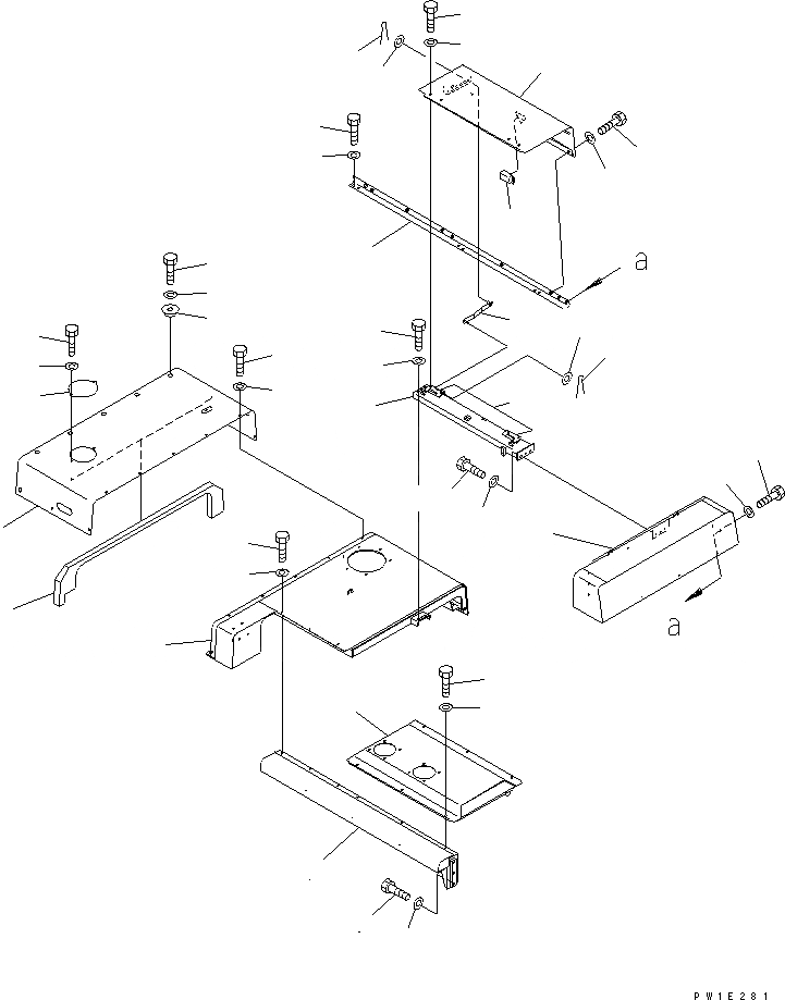
1
2
3
4
5
6
7
8
9
10
11
12
13
13
14
14
15
16
17
17
18
18
19
20
21
22
23
23
24
24
25
26
27
28
29
29
30
30
31
32
33
34
FIT
1:1
100%

Артикул

Название

Примечание

Количество

1

21N-54-39211

COVER

2

01010-81230

BOLT

3

01643-31232

WASHER

4

21N-54-31121

BRACKET

5

01010-81255

BOLT

6

01643-31232

WASHER

7

21N-54-39180

COVER

8

21N-53-31561

COVER

9

01010-81230

BOLT

10

01643-31232

WASHER

11

21N-53-31690

COVER

12

209-54-12280

HANDLE

13

01010-81230

BOLT

14

01643-31232

WASHER

15

21N-54-31162

FRAME

15

21N-54-31161

FRAME

16

20Y-54-28161

HINGE (WELDED)

17

01010-81230

BOLT

18

01643-31232

WASHER

19

21N-54-39230

FRAME

20

01010-81230

BOLT

21

01643-31232

WASHER

22

209-54-53151

STAY

23

04050-14028

PIN

24

01643-31645

WASHER

25

01010-81230

BOLT

26

01643-31232

WASHER

27

21N-54-39221

COVER

28

21N-54-31191

SHEET

29

01010-81230

BOLT

30

01643-31232

WASHER

31

203-54-62670

COLLAR

32

207-54-51440

PLATE

33

01010-81230

BOLT

34

01643-31232

WASHER

Выбрано товаров: 35