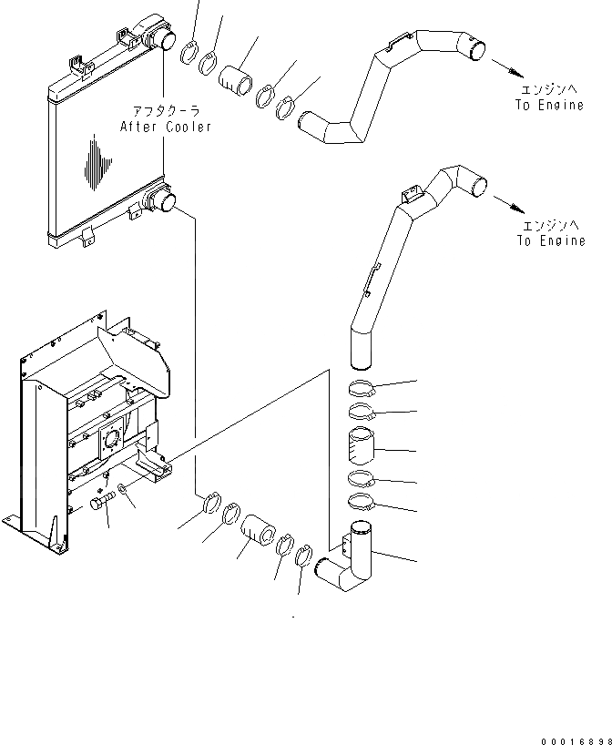
Запчасти Komatsu PC1250-7 ОХЛАЖД-Е (ПОСЛЕОХЛАДИТЕЛЬ) (ВОЗДУХОВОД) СИСТЕМА ОХЛАЖДЕНИЯ

Схема запчастей Komatsu PC1250-7 - ОХЛАЖД-Е (ПОСЛЕОХЛАДИТЕЛЬ) (ВОЗДУХОВОД) СИСТЕМА ОХЛАЖДЕНИЯ
1
2
2
3
3
4
5
6
7
8
8
9
9
10
11
11
12
12
FIT
1:1
100%

Артикул

Название

Примечание

Количество

1

21N-03-31531

HOSE

1

21N-03-31530

HOSE

2

07299-00120

CLAMP

3

208-62-73910

CLAMP

3

21N-62-37960

CLAMP

3

07299-00120

CLAMP

4

21N-03-37372

TUBE

4

21N-03-37371

TUBE

5

01010-81230

BOLT

6

01643-31232

WASHER

7

21N-03-31531

HOSE

7

21N-03-31530

HOSE

8

07299-00120

CLAMP

9

208-62-73910

CLAMP

9

21N-62-37960

CLAMP

9

07299-00120

CLAMP

10

21N-03-37780

HOSE

10

569-02-6E131

HOSE

11

07299-00120

CLAMP

12

208-62-73910

CLAMP

12

21N-62-37960

CLAMP

12

07299-00120

CLAMP

Выбрано товаров: 22