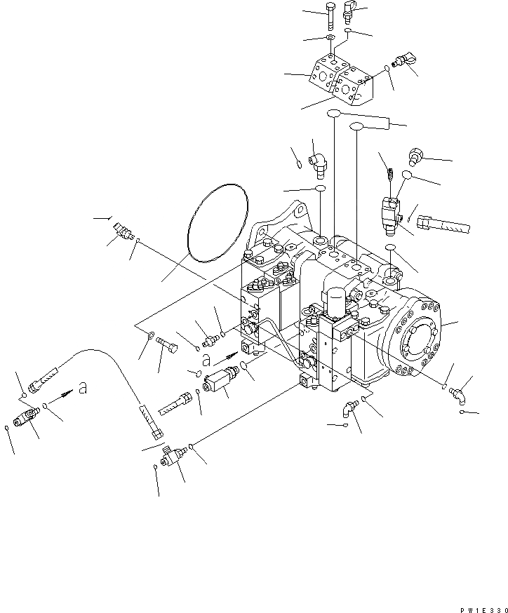
Запчасти Komatsu PC1250-7 NO. ОСНОВН. НАСОС (СОЕДИНИТ. ЧАСТИ) ГИДРАВЛИКА

Схема запчастей Komatsu PC1250-7 - NO. ОСНОВН. НАСОС (СОЕДИНИТ. ЧАСТИ) ГИДРАВЛИКА
1
2
3
4
5
6
7
8
9
10
10
11
11
12
13
14
15
16
17
17
18
19
20
21
22
23
24
25
26
27
28
29
30
30
31
31
32
32
32
32
33
34
35
36
37
38
FIT
1:1
100%

Артикул

Название

Примечание

Количество

1

708-2L-00610

PUMP ASS'Y

2

07000-E5230

O-RING

3

01010-81650

BOLT

4

01643-31645

WASHER

5

21N-62-31641

BLOCK

6

21N-62-31540

BLOCK

7

07000-B3035

O-RING

8

01010-81090

BOLT

9

01643-31032

WASHER

10

209-62-61310

NIPPLE ASS'Y

11

209-62-61330

O-RING

12

02782-10628

ELBOW

13

07002-12434

O-RING

14

02896-11018

O-RING

15

21N-64-36970

TEE

16

07040-12412

PLUG

17

07002-12434

O-RING

18

02896-11009

O-RING

19

20B-27-11210

BLEEDER

20

02782-10312

ELBOW

21

07002-11423

O-RING

22

02896-11009

O-RING

23

11Y-62-12520

NIPPLE

24

07002-11423

O-RING

25

02896-11009

O-RING

26

21N-64-36710

TEE

27

07002-12034

O-RING

28

02896-11009

O-RING

29

02896-11015

O-RING

30

21N-64-36680

TEE

31

07002-11423

O-RING

32

02896-11009

O-RING

33

02782-10311

ELBOW

34

07002-21423

O-RING

35

02896-21009

O-RING

36

21N-64-36410

ELBOW

37

07002-11023

O-RING

38

02896-11009

O-RING

Выбрано товаров: 38