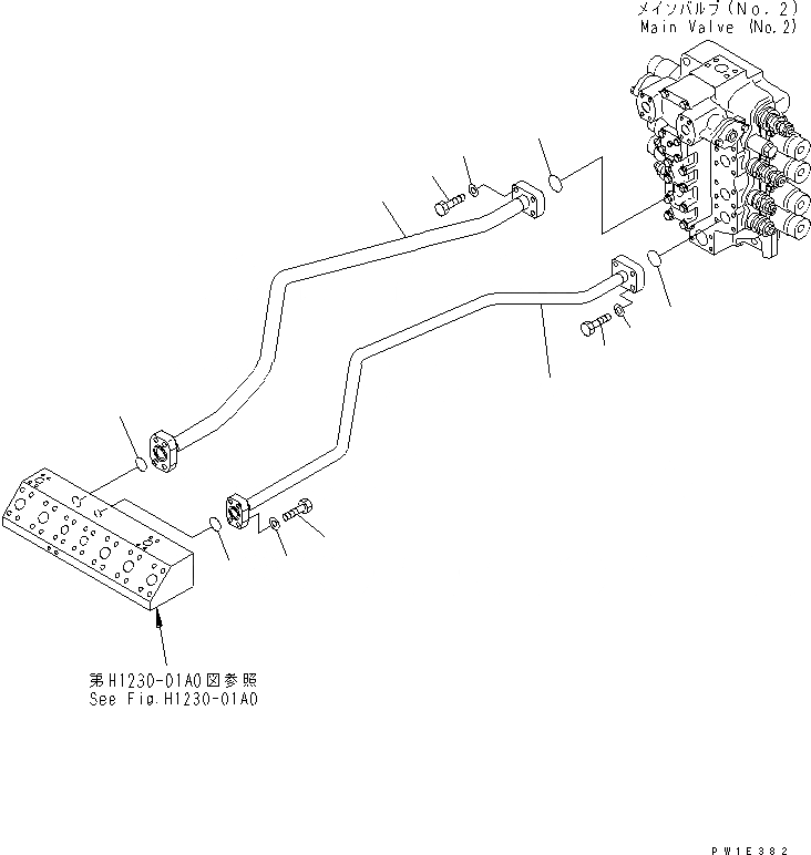
Запчасти Komatsu PC1250-8 КЛАПАН ПОДАЮЩ. ТРУБЫ (РУКОЯТЬ) (NO. КЛАПАН)(№-) ГИДРАВЛИКА

Схема запчастей Komatsu PC1250-8 - КЛАПАН ПОДАЮЩ. ТРУБЫ (РУКОЯТЬ) (NO. КЛАПАН)(№-) ГИДРАВЛИКА
1
2
3
4
5
6
7
8
9
9
10
11
FIT
1:1
100%

Артикул

Название

Примечание

Количество

1

21N-62-37560

TUBE

2

07000-B3048

O-RING

3

07000-B3038

O-RING

4

01010-81455

BOLT

5

01643-31445

WASHER

6

01010-81245

BOLT

7

01643-31232

WASHER

8

21N-62-37570

TUBE

9

07000-B3048

O-RING

10

01010-81455

BOLT

11

01643-31445

WASHER

Выбрано товаров: 11