Качественные детали и логистика
Оригинальные и аналоговые запчасти с доставкой по России, Казахстану и Беларуси
©2022 PartSell ООО "Система" ИНН 2463123282 ОГРН 1212400004838
Центральный офис: г. Красноярск, Академика Киренского, д.87, пом.4
Телефон: 8 (800) 777-65-74 Email: zakaz@partsell.ru
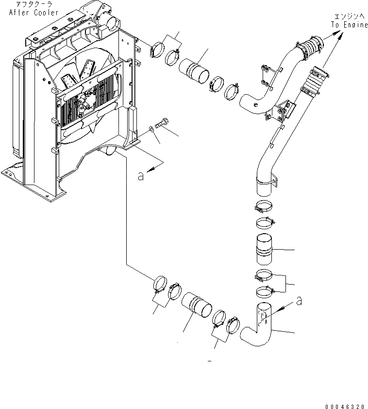
ОХЛАЖД-Е (ПОСЛЕОХЛАДИТЕЛЬ) (ВОЗДУХОВОД)(№-)
№
Артикул
Название
Примечание
Количество
1
209-03-41711
HOSE
2
208-62-73910
CLAMP
3
21N-03-42540
TUBE
4
01010-81230
BOLT
5
01643-31232
WASHER
6
7
8
9
Выбрано товаров: 0