Запчасти Komatsu PC1250-8 ЗАЩИТН. КРЫШКИ (КАБИНА КРЕПЛЕНИЕ) (ДЛЯ MM ВЫС. КАБИНА И НИЗ. ДВОРНИКИ)(№8-) КАБИНА ОПЕРАТОРА И СИСТЕМА УПРАВЛЕНИЯ

Схема запчастей Komatsu PC1250-8 - ЗАЩИТН. КРЫШКИ (КАБИНА КРЕПЛЕНИЕ) (ДЛЯ MM ВЫС. КАБИНА И НИЗ. ДВОРНИКИ)(№8-) КАБИНА ОПЕРАТОРА И СИСТЕМА УПРАВЛЕНИЯ
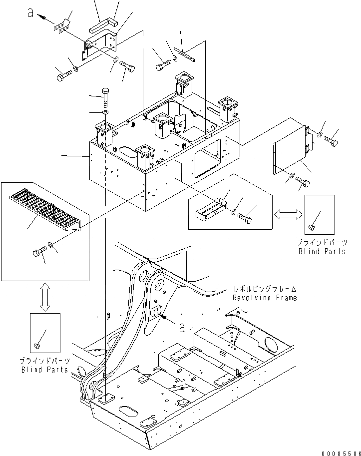
1
2
3
4
5
6
7
8
9
10
11
12
13
14
14
15
16
17
18
19
20
21
22
22
23
23
24
25
FIT
1:1
100%

Артикул

Название

Примечание

Количество

1

21N-53-34111

FRAME

2

21N-53-34240

BRACKET

3

01010-81225

BOLT

4

01643-31232

WASHER

5

21N-53-34120

COVER

6

203-54-32230

HINGE (WELDED)

7

01010-81025

BOLT

8

01643-31032

WASHER

9

01010-81225

BOLT

10

01643-31232

WASHER

11

21N-54-34140

STEP

12

01010-81235

BOLT

13

01643-31232

WASHER

14

07049-01215

PLUG

15

21N-54-34170

STEP

16

01010-81235

BOLT

17

01643-31232

WASHER

18

21N-53-34211

FRAME

19

21N-53-34220

SEAL

20

21N-53-34230

SEAL

21

21N-54-12450

SHIM, 1.0MM

22

01010-82050

BOLT

23

01643-32060

WASHER

24

01011-81605

BOLT

25

21T-54-16150

WASHER

Выбрано товаров: 0