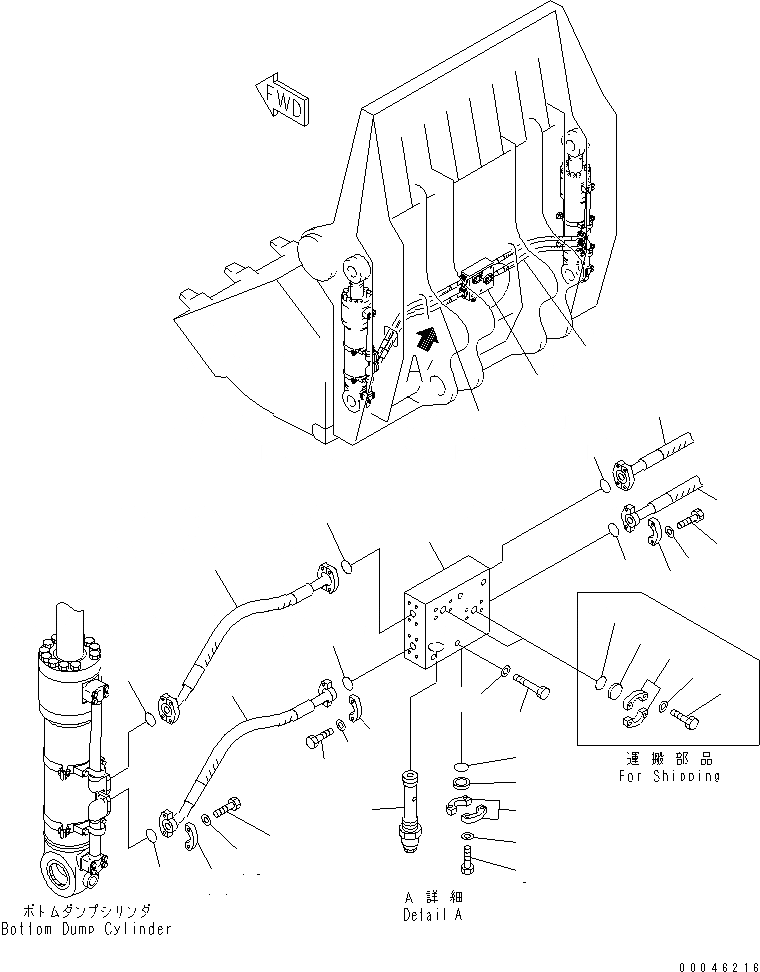
Запчасти Komatsu PC1250-8 НИЖН. ЛИНИЯ ЦИЛИНДРА КОВША (ТРУБЫ) (ДЛЯ ПОГРУЗ.)(№-) РАБОЧЕЕ ОБОРУДОВАНИЕ

Схема запчастей Komatsu PC1250-8 - НИЖН. ЛИНИЯ ЦИЛИНДРА КОВША (ТРУБЫ) (ДЛЯ ПОГРУЗ.)(№-) РАБОЧЕЕ ОБОРУДОВАНИЕ
1
1
2
3
4
4
5
5
6
6
7
8
9
10
11
12
13
13
13
13
13
13
14
15
16
17
17
17
17
17
17
18
19
20
21
22
FIT
1:1
100%

Артикул

Название

Примечание

Количество

1

21T-62-73780

BLOCK

2

01010-81290

BOLT

3

01643-31232

WASHER

4

07371-31049

FLANGE

5

07372-21030

BOLT

6

01643-51032

WASHER

7

07371-31049

FLANGE

8

07372-21035

BOLT

9

01643-51032

WASHER

10

07000-13032

O-RING

11

07378-11000

HEAD

12

706-77-85301

RELIEF VALVE ASS'Y

13

21N-72-35280

HOSE

14

07371-31049

FLANGE

15

07372-21030

BOLT

16

01643-51032

WASHER

17

07000-13032

O-RING

18

07378-11210

HEAD

19

07371-51260

FLANGE

20

07000-13038

O-RING

21

01010-81245

BOLT

22

01643-31232

WASHER

Выбрано товаров: 22