Запчасти Komatsu PC1250-8 ЭЛЕКТРОПРОВОДКА (ЛАМПА РАБОЧ. ОСВЕЩЕНИЯ И АВТОМ. ВЫКЛЮЧАТЕЛЬ)(№-) ЭЛЕКТРИКА

Схема запчастей Komatsu PC1250-8 - ЭЛЕКТРОПРОВОДКА (ЛАМПА РАБОЧ. ОСВЕЩЕНИЯ И АВТОМ. ВЫКЛЮЧАТЕЛЬ)(№-) ЭЛЕКТРИКА
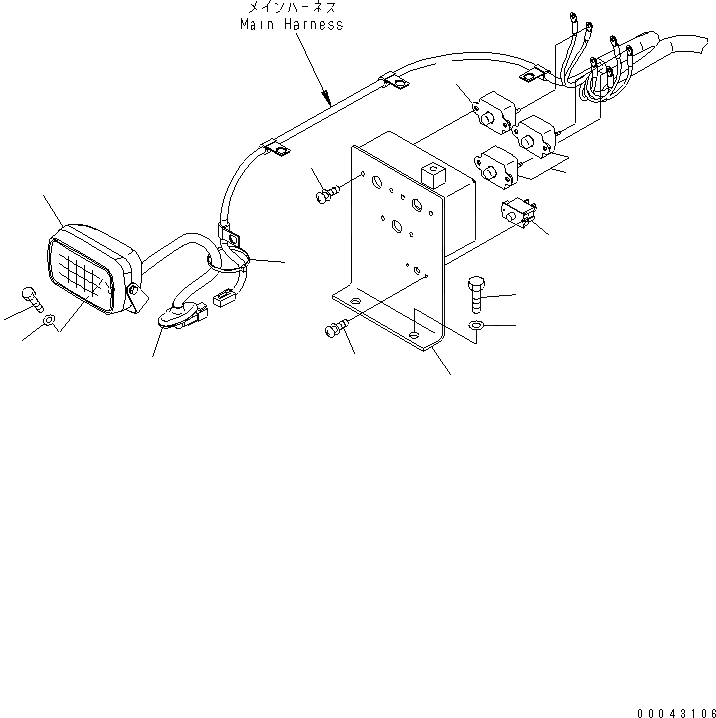
1
2
3
4
5
6
6
7
8
9
10
11
12
FIT
1:1
100%

Артикул

Название

Примечание

Количество

1

21N-54-38340

WORKING LAMP ASS'Y

2

22B-54-17271

GROMMET

2

421-06-23330

BULB, 70W

3

01010-81020

BOLT

4

01643-31032

WASHER

5

08034-20519

BAND

6

21T-06-68290

BREAKER

7

01023-10616

SCREW

8

21N-06-41240

BRACKET

9

01010-81225

BOLT

10

01643-31232

WASHER

11

209-06-77350

CIRCUIT BREAKER

12

01023-20410

SCREW

Выбрано товаров: 13