Запчасти Komatsu PC1250-8 ЭЛЕКТРОПРОВОДКА (ЛАМПА РАБОЧ. ОСВЕЩЕНИЯ И АВТОМ. ВЫКЛЮЧАТЕЛЬ)(№-) ЭЛЕКТРИКА

Схема запчастей Komatsu PC1250-8 - ЭЛЕКТРОПРОВОДКА (ЛАМПА РАБОЧ. ОСВЕЩЕНИЯ И АВТОМ. ВЫКЛЮЧАТЕЛЬ)(№-) ЭЛЕКТРИКА
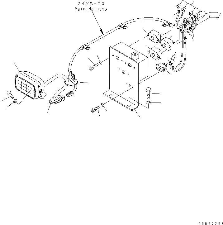
1
2
3
4
5
6
6
6
7
8
9
10
11
12
13
14
15
15
15
FIT
1:1
100%

Артикул

Название

Примечание

Количество

1

21N-54-38340

WORKING LAMP ASS'Y

2

22B-54-17271

GROMMET

2

421-06-23330

BULB, 70W

3

01010-81020

BOLT

4

01643-31032

WASHER

5

08034-20519

BAND

6

21T-06-68290

BREAKER

7

01252-70616

BOLT

8

01602-20619

WASHER

9

21N-06-41240

BRACKET

10

01010-81225

BOLT

11

01643-31232

WASHER

12

209-06-77350

CIRCUIT BREAKER

13

01252-70410

BOLT

14

01601-20410

WASHER

15

08038-00519

CAP

Выбрано товаров: 16