Запчасти Komatsu PC1250-8 ЦИЛИНДР КОВША (/) (ДЛЯ ЭКСКАВАТ.) (ДЛЯ .M И .M РУКОЯТЬ)(№-) ОСНОВН. КОМПОНЕНТЫ И РЕМКОМПЛЕКТЫ

Схема запчастей Komatsu PC1250-8 - ЦИЛИНДР КОВША (/) (ДЛЯ ЭКСКАВАТ.) (ДЛЯ .M И .M РУКОЯТЬ)(№-) ОСНОВН. КОМПОНЕНТЫ И РЕМКОМПЛЕКТЫ
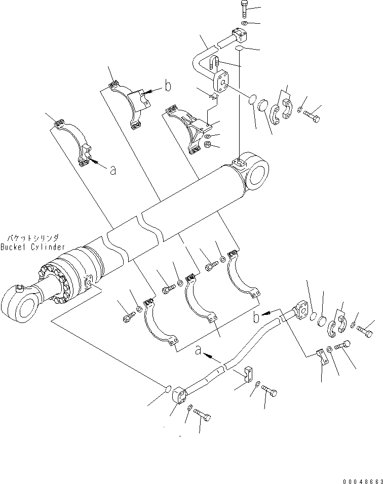
1
2
3
3
4
4
5
5
6
7
8
9
10
11
12
13
14
15
16
17
18
19
20
20
20
21
21
21
22
22
23
23
24
24
25
26
27
28
FIT
1:1
100%

Артикул

Название

Примечание

Количество

G1

707-01-XR700

CYLINDER GROUP,L.H. (FINAL COATING)

G2

707-01-XR710

CYLINDER GROUP,R.H. (FINAL COATING)

1

707-86-13360

TUBE,L.H.

1

707-86-13370

TUBE,R.H.

2

21N-63-72580

TUBE,L.H.

2

21N-63-72680

TUBE,R.H.

3

07000-13035

O-RING (KIT)

4

07372-21060

BOLT

5

01643-51032

WASHER

6

07000-13038

O-RING

7

07378-11210

HEAD

8

07371-51260

FLANGE

9

01010-81245

BOLT

10

01643-31232

WASHER

11

07000-13048

O-RING

12

07378-11410

HEAD

13

07371-51470

FLANGE

14

01010-81455

BOLT

15

01643-31445

WASHER

16

707-88-26160

BAND

17

707-88-28330

BRACKET

18

707-88-28340

BRACKET

19

707-88-28350

BRACKET

20

07372-21245

BOLT

21

01643-51232

WASHER

22

707-88-10150

CLAMP

23

01010-81245

BOLT

24

01643-31232

WASHER

25

07283-33450

CLIP

26

07283-53444

SEAT

27

01597-01009

NUT

28

01643-31032

WASHER

K

707-99-72390

SERVICE KIT

Выбрано товаров: 33