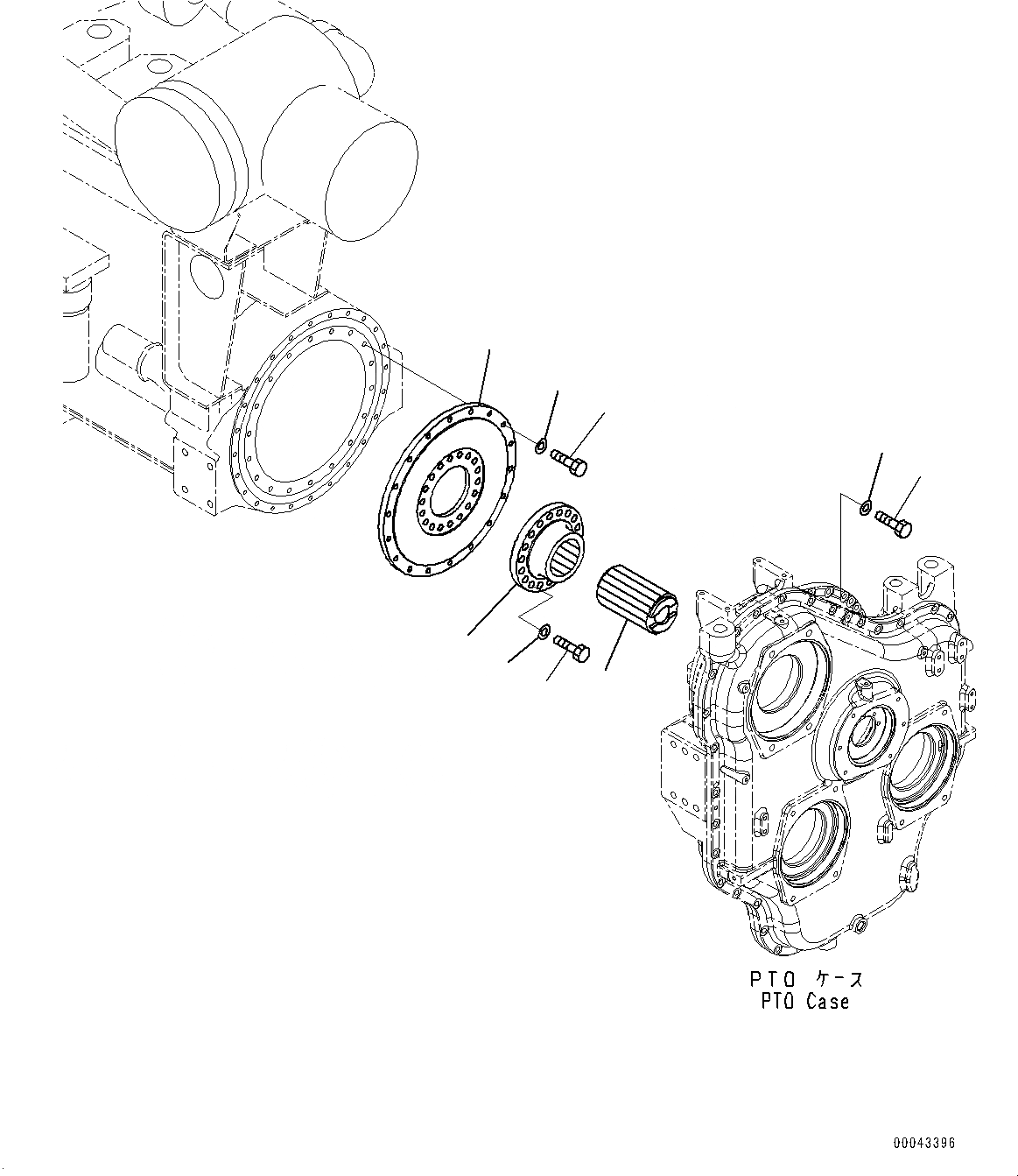
Запчасти Komatsu PC1250-8 POWER TAKEOFF, КРЕПЛЕНИЕ (№8-) POWER TAKEOFF

Схема запчастей Komatsu PC1250-8 - POWER TAKEOFF, КРЕПЛЕНИЕ (№8-) POWER TAKEOFF
9
3
4
5
6
8
7
1
2
FIT
1:1
100%

Артикул

Название

Примечание

Количество

1

01010-81240

Bolt

2

01643-31232

Washer

3

01010-81245

Bolt

4

01643-31232

Washer

5

21N-38-51240

Plate

6

21N-38-51220

Hub

7

209-38-11280

Bolt

8

01643-31645

Washer

9

21N-38-51230

Shaft

Выбрано товаров: 9