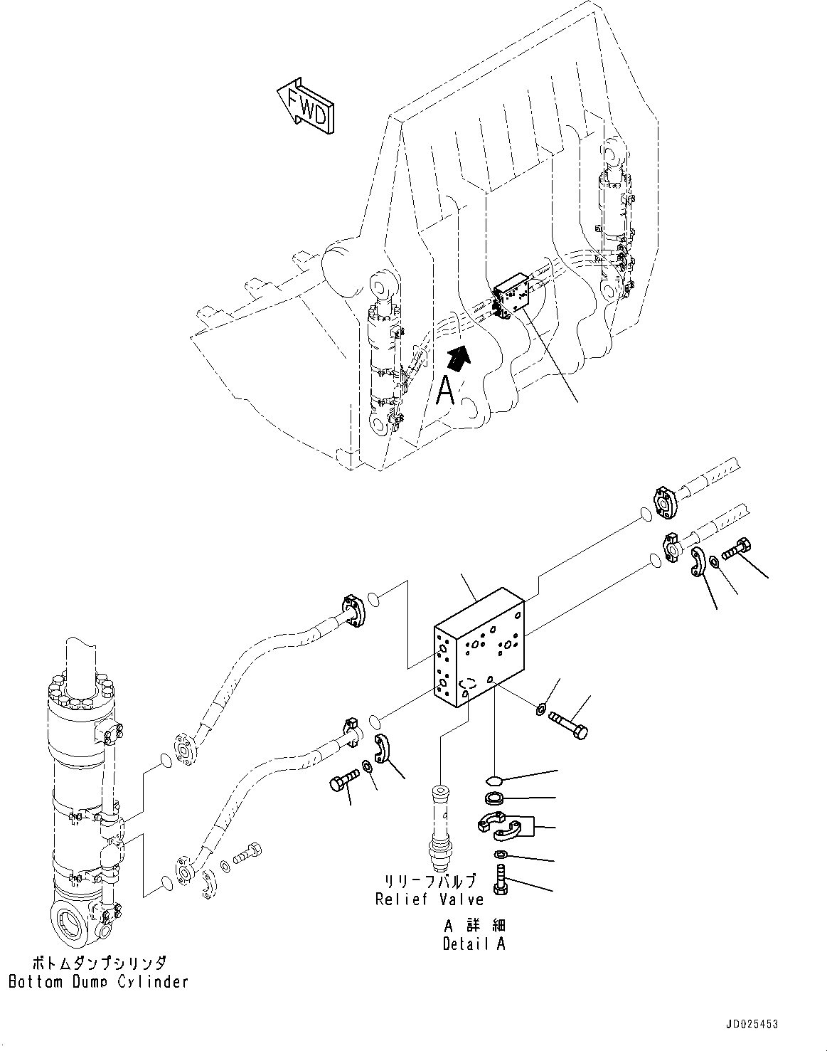
Запчасти Komatsu PC1250-8 НИЖН. ГИДРОЦИЛИНДР КОВША, БЛОК (№8-) НИЖН. ГИДРОЦИЛИНДР КОВША, ДЛЯ ПРЯМАЯ ЛОПАТА CONFIGURATION

Схема запчастей Komatsu PC1250-8 - НИЖН. ГИДРОЦИЛИНДР КОВША, БЛОК (№8-) НИЖН. ГИДРОЦИЛИНДР КОВША, ДЛЯ ПРЯМАЯ ЛОПАТА CONFIGURATION
1
2
8
5
6
4
6
5
1
9
3
4
10
11
7
FIT
1:1
100%

Артикул

Название

Примечание

Количество

1

21T-62-73780

Block

2

01010-81290

Bolt

3

01643-31232

Washer

4

07371-31049

Flange, Split

5

07372-21030

Bolt

6

01643-51032

Washer

7

07371-31049

Flange, Split

8

07372-21035

Bolt

9

01643-51032

Washer

10

07000-13032

O-ring

11

07378-11000

Head

Выбрано товаров: 11