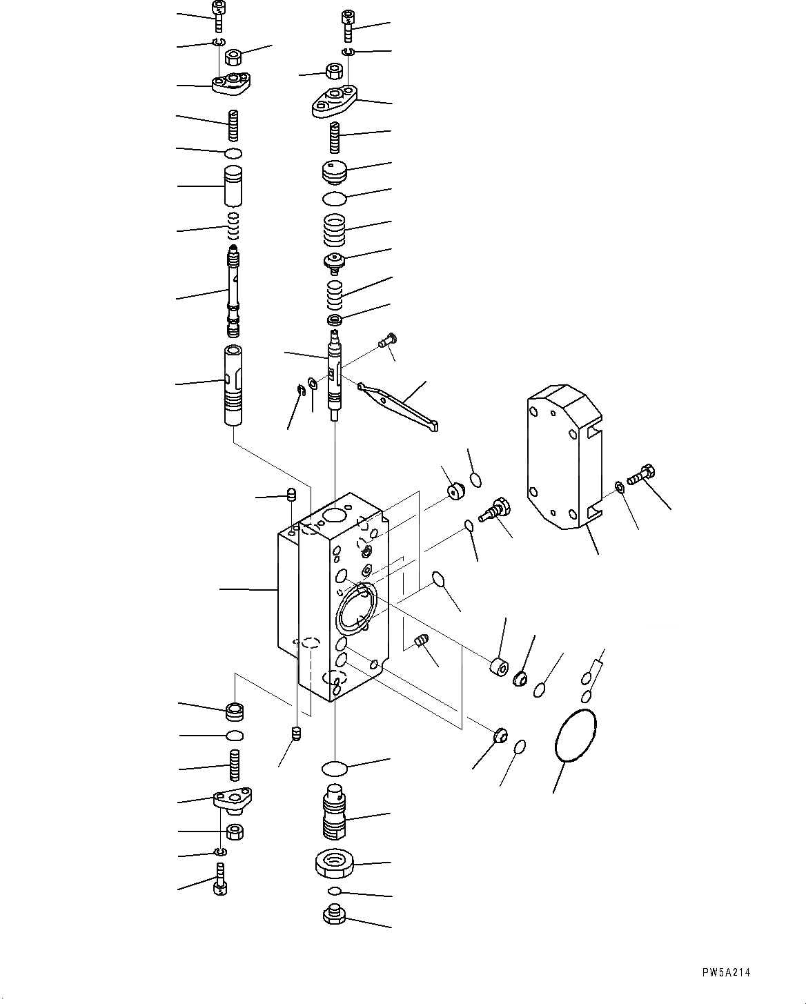
Запчасти Komatsu PC1250-8 NO. НАСОС, ВНУТР. ЧАСТИ (8/) (№8-) NO. НАСОС

Схема запчастей Komatsu PC1250-8 - NO. НАСОС, ВНУТР. ЧАСТИ (8/) (№8-) NO. НАСОС
22
46
15
16
17
18
25
21
4
6
13
34
26
5
8
9
10
12
7
31
11
33
37
1
19
29
20
21
14
22
39
23
24
23
25
35
26
21
24
27
36
40
32
43
42
45
41
44
3
38
28
2
43
42
30
2
2
FIT
1:1
100%

Артикул

Название

Примечание

Количество

|$0

708-2L-00691

Pump Assembly

|$1

708-2L-00690

Pump Assembly

|$2

708-25-09291

Valve Assembly, Servo,Rear

|$3

708-25-00830

Body Assembly

1

Body,Front

2

Expander

3

708-25-15120

Piston

4

708-25-15130

Seat

5

708-25-55250

Spring

6

708-25-25130

Spring

7

708-23-15160

Plug

8

708-23-15120

Seat

9

07000-B2018

O-ring

10

708-25-15150

Cover

11

01580-10806

Nut

12

708-25-15320

Bolt

13

01602-20619

Washer

14

07002-62034

O-ring

15

07239-12009

Nut

16

708-25-15180

Sleeve

17

708-25-15280

Spool

18

708-25-15310

Spring

19

708-25-15330

Spacer

20

708-25-15171

Plug

21

708-25-15340

Screw

22

07000-B2012

O-ring

23

708-25-15250

Cover

24

01580-10806

Nut

25

708-25-15320

Bolt

26

01602-20619

Washer

27

708-25-15260

Plug

28

07002-60823

O-ring

29

708-25-15270

Arm

30

708-25-15360

Pin

31

708-25-15370

Washer

32

708-25-15380

E-ring

33

07040-11007

Plug

34

07002-61023

O-ring

35

708-25-55110

Plate

36

708-25-19250

Plug

37

708-2L-25490

O-ring

38

07000-B2011

O-ring

39

01010-80825

Bolt

40

01643-50823

Washer

41

708-25-19230

Orifice

42

708-2L-25480

Filter

43

708-2L-25490

O-ring

44

07000-B1009

O-ring

45

07000-B3048

O-ring

46

708-25-15430

Plug

Выбрано товаров: 50