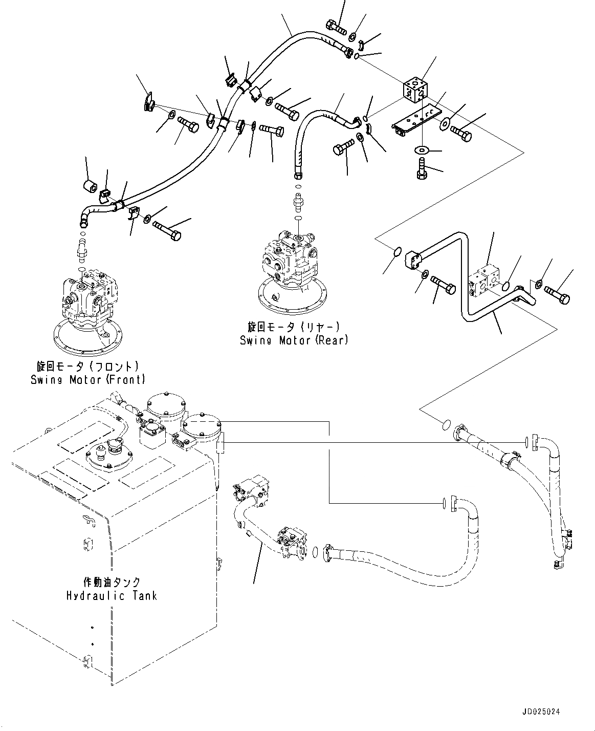
Запчасти Komatsu PC1250-8 ВОЗВРАТ. ТРУБЫ, ПОВОРОТН. ВСАСЫВ. (/) (№8-) ВОЗВРАТ. ТРУБЫ

Схема запчастей Komatsu PC1250-8 - ВОЗВРАТ. ТРУБЫ, ПОВОРОТН. ВСАСЫВ. (/) (№8-) ВОЗВРАТ. ТРУБЫ
1
7
6
5
2
3
4
40
41
27
26
33
23
22
21
18
17
14
13
12
11
10
9
8
15
19
38
35
35
37
36
39
20
16
29
30
24
34
31
32
31
24
25
28
FIT
1:1
100%

Артикул

Название

Примечание

Количество

1

21N-62-37320

Tube

2

07000-B3048

O-ring

3

07372-21240

Bolt

4

01643-51232

Washer

5

07000-B3045

O-ring

6

01010-81275

Bolt

7

01643-31232

Washer

8

21N-62-42170

Block

9

01010-81235

Bolt

10

175-54-34170

Washer

11

21N-62-42370

Bracket

12

01010-81235

Bolt

13

175-54-34170

Washer

14

21N-62-41491

Hose

14

21N-62-41490

Hose

15

07000-B3032

O-ring

16

07371-31049

Flange, Split

17

07372-21035

Bolt

18

01643-51032

Washer

19

21N-62-41480

Hose

19

21N-62-41481

Hose

|$21

21N-62-41480

Hose

20

07000-B3032

O-ring

21

07371-31049

Flange, Split

22

07372-21035

Bolt

23

01643-51032

Washer

24

07094-11024

Clamp

25

07095-01035

Cushion

26

01010-81280

Bolt

27

01643-31232

Washer

28

21N-62-41420

Bracket

29

01010-81235

Bolt

30

01643-31232

Washer

31

07094-11024

Clamp

32

07095-01035

Cushion

33

01010-81280

Bolt

34

01643-31232

Washer

35

07094-11024

Clamp

36

07095-01035

Cushion

37

01011-81205

Bolt

38

01643-31232

Washer

39

195-33-11220

Spacer

40

21N-62-37330

Block

41

21N-62-42160

Tube

Выбрано товаров: 44