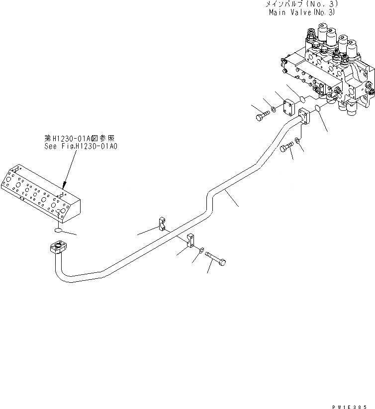
Запчасти Komatsu PC1250-8R КЛАПАН ПОДАЮЩ. ТРУБЫ (КОВШ) (NO. КЛАПАН)(№-) ГИДРАВЛИКА

Схема запчастей Komatsu PC1250-8R - КЛАПАН ПОДАЮЩ. ТРУБЫ (КОВШ) (NO. КЛАПАН)(№-) ГИДРАВЛИКА
1
2
3
4
5
6
7
8
9
10
11
12
13
FIT
1:1
100%

Артикул

Название

Примечание

Количество

1

21N-62-37670

TUBE

2

07000-B3048

O-RING

3

07000-B3048

O-RING

4

01010-81455

BOLT

5

01643-31445

WASHER

6

209-62-52220

PLATE

7

07000-B3048

O-RING

8

01010-81455

BOLT

9

01643-31445

WASHER

10

176-61-41330

CLAMP

11

176-61-41320

CLAMP

12

01010-81265

BOLT

13

01643-31232

WASHER

Выбрано товаров: 13