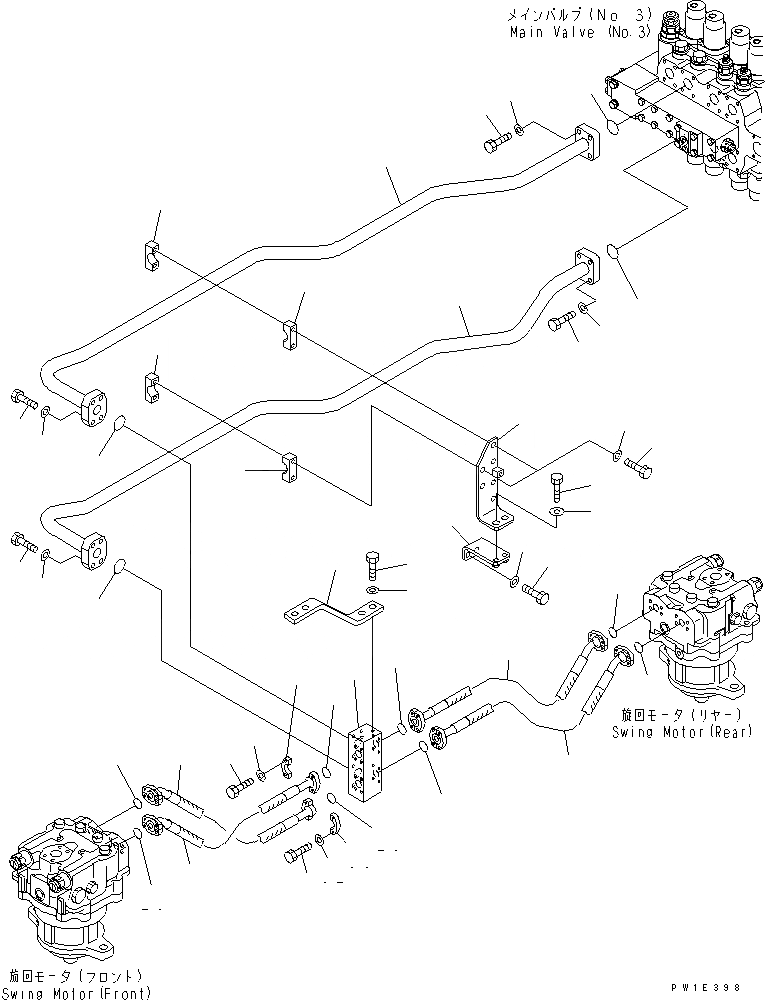
Запчасти Komatsu PC1250-8R КЛАПАН ПОДАЮЩ. ТРУБЫ (ПОВОРОТН.)(№-) ГИДРАВЛИКА

Схема запчастей Komatsu PC1250-8R - КЛАПАН ПОДАЮЩ. ТРУБЫ (ПОВОРОТН.)(№-) ГИДРАВЛИКА
1
2
2
3
3
4
4
5
6
6
7
7
8
8
9
10
11
12
13
14
15
16
17
18
19
19
20
20
21
22
23
23
24
24
24
24
25
26
27
28
28
29
29
29
29
30
31
32
FIT
1:1
100%

Артикул

Название

Примечание

Количество

1

21N-62-37790

TUBE

2

07000-B3048

O-RING

3

01010-81455

BOLT

4

01643-31445

WASHER

5

21N-62-37810

TUBE

6

07000-B3048

O-RING

7

01010-81455

BOLT

8

01643-31445

WASHER

9

21N-62-37830

BRACKET

10

01010-81240

BOLT

11

175-54-34170

WASHER

12

21N-62-37820

BLOCK

13

21N-62-37841

BRACKET

14

01010-81240

BOLT

15

175-54-34170

WASHER

16

209-62-73390

BRACKET

17

01010-81230

BOLT

18

01643-31232

WASHER

19

176-61-41330

CLAMP

20

176-61-41320

CLAMP

21

01010-81265

BOLT

22

01643-31232

WASHER

23

07097-01008

HOSE

24

07000-B3032

O-RING

25

07371-31049

FLANGE

26

07372-21035

BOLT

27

01643-51032

WASHER

28

07097-010A7

HOSE

29

07000-B3032

O-RING

30

07371-31049

FLANGE

31

07372-21035

BOLT

32

01643-51032

WASHER

Выбрано товаров: 32