Запчасти Komatsu PC1250-8R ЗАЩИТН. КРЫШКИ (КАБИНА КРЕПЛЕНИЕ) (ДЛЯ MM ВЫС. КАБИНА)(№-9) КАБИНА ОПЕРАТОРА И СИСТЕМА УПРАВЛЕНИЯ

Схема запчастей Komatsu PC1250-8R - ЗАЩИТН. КРЫШКИ (КАБИНА КРЕПЛЕНИЕ) (ДЛЯ MM ВЫС. КАБИНА)(№-9) КАБИНА ОПЕРАТОРА И СИСТЕМА УПРАВЛЕНИЯ
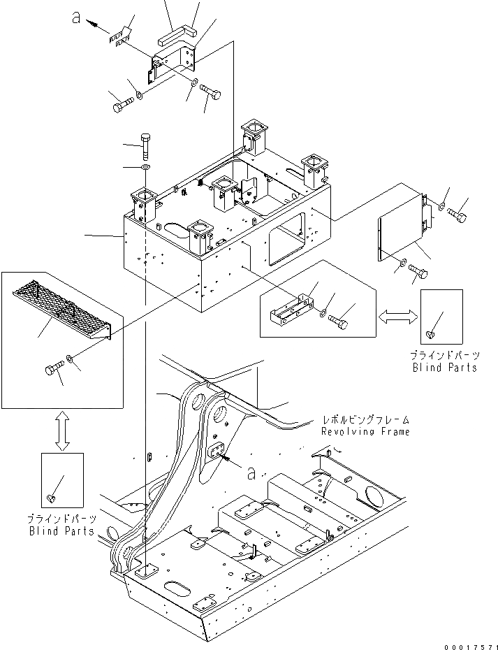
1
2
3
4
5
6
7
8
9
10
11
11
12
13
14
15
16
17
18
19
19
20
20
21
22
FIT
1:1
100%

Артикул

Название

Примечание

Количество

1

21N-53-34111

FRAME

1

21N-53-34110

FRAME

2

21N-53-34120

COVER

3

203-54-32230

HINGE (WELDED)

4

01010-81025

BOLT

5

01643-31032

WASHER

6

01010-81225

BOLT

7

01643-31232

WASHER

8

21N-54-34140

STEP

9

01010-81235

BOLT

10

01643-31232

WASHER

11

07049-01215

PLUG

12

21N-54-34170

STEP

13

01010-81235

BOLT

14

01643-31232

WASHER

15

21N-53-34211

FRAME

15

21N-53-34210

FRAME

16

21N-53-34220

SEAL

17

21N-53-34230

SEAL

18

21N-54-12450

SHIM, 1.0MM

19

01010-82050

BOLT

20

01643-32060

WASHER

21

01011-81605

BOLT

22

21T-54-16150

WASHER

Выбрано товаров: 24