Запчасти Komatsu PC1250-8R ЗАЩИТН. КРЫШКИ (КАБИНА КРЕПЛЕНИЕ) (ДЛЯ MM ВЫС. КАБИНА)(№-) КАБИНА ОПЕРАТОРА И СИСТЕМА УПРАВЛЕНИЯ

Схема запчастей Komatsu PC1250-8R - ЗАЩИТН. КРЫШКИ (КАБИНА КРЕПЛЕНИЕ) (ДЛЯ MM ВЫС. КАБИНА)(№-) КАБИНА ОПЕРАТОРА И СИСТЕМА УПРАВЛЕНИЯ
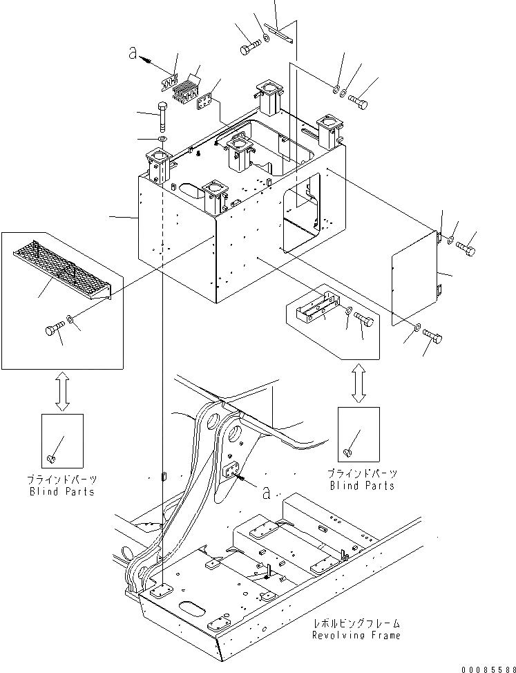
1
2
3
4
5
6
7
8
9
10
11
12
13
14
14
15
16
17
18
19
20
21
22
23
24
25
FIT
1:1
100%

Артикул

Название

Примечание

Количество

1

21N-54-43810

FRAME

2

21N-53-34240

BRACKET

3

01010-81225

BOLT

4

01643-31232

WASHER

5

21N-54-43820

COVER

6

203-54-32230

HINGE (WELDED)

7

01010-81025

BOLT

8

01643-31032

WASHER

9

01010-81225

BOLT

10

01643-31232

WASHER

11

21N-54-34140

STEP

12

01010-81235

BOLT

13

01643-31232

WASHER

14

07049-01215

PLUG

15

21N-54-34170

STEP

16

01010-81235

BOLT

17

01643-31232

WASHER

18

21N-54-43870

PLATE

19

21N-54-43880

SHIM

20

21N-54-43890

SHIM

21

01011-82030

BOLT

22

437-85-12380

WASHER

23

01643-32060

WASHER

24

01011-81605

BOLT

25

21T-54-16150

WASHER

Выбрано товаров: 25