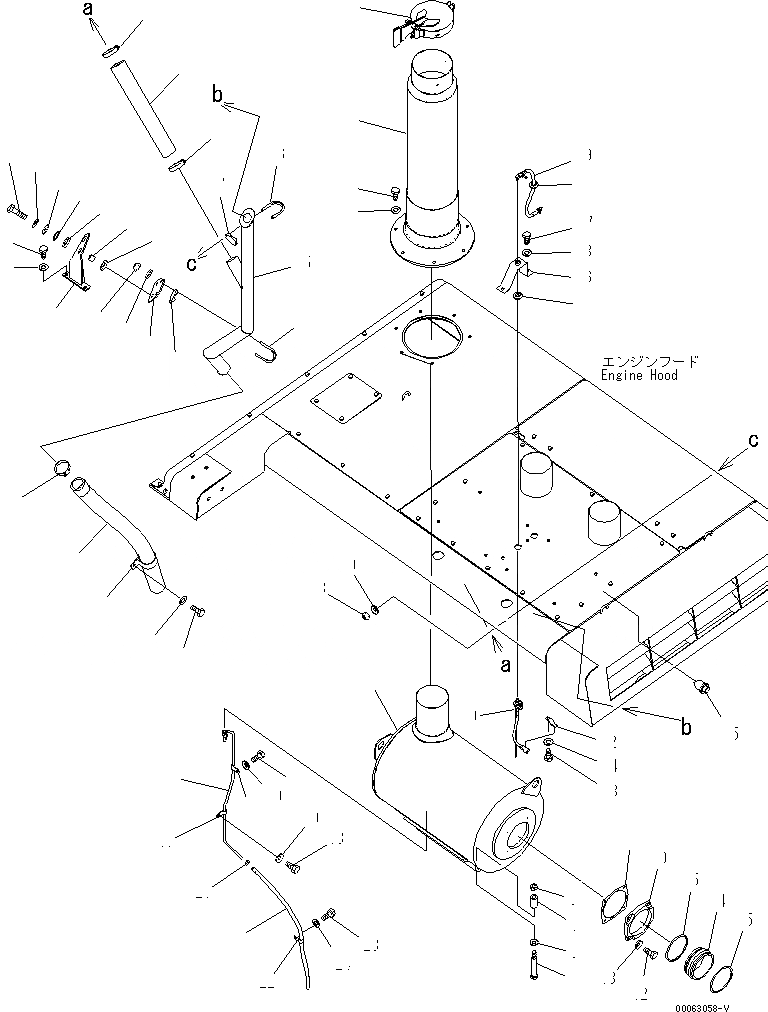
Запчасти Komatsu PC1250-8R ВЫПУСКН. (+C СПЕЦ-Я.)(№-) КОМПОНЕНТЫ ДВИГАТЕЛЯ

Схема запчастей Komatsu PC1250-8R - ВЫПУСКН. (+C СПЕЦ-Я.)(№-) КОМПОНЕНТЫ ДВИГАТЕЛЯ
1
2
3
4
5
6
7
8
9
10
11
12
13
14
15
15
16
17
17
18
18
19
19
20
21
22
23
24
25
26
27
28
29
30
31
31
32
33
34
35
36
37
38
39
40
41
42
42
43
44
45
46
46
47
47
48
48
49
49
50
51
52
53
54
55
56
56
FIT
1:1
100%

Артикул

Название

Примечание

Количество

1

6245-11-5810

PIPE

2

6162-14-5640

CAP

3

01010-81235

BOLT

4

01643-31232

WASHER

5

6245-11-5500

MUFFLER

6

01010-E1285

BOLT

7

6142-22-4640

SPACER

8

01580-11210

NUT

9

01643-31232

WASHER

10

6245-11-5750

FLANGE

11

6240-11-5760

GASKET

12

01020-11025

BOLT

13

01643-31032

WASHER

14

6245-11-5740

JOINT

15

6162-13-5480

SEAL

16

6245-11-5510

TUBE

17

6162-13-5660

CLAMP

18

01010-81020

BOLT

19

01643-31032

WASHER

20

21N-01-41150

HOSE

21

07285-00150

CLIP

22

04434-51612

CLIP

23

01010-81225

BOLT

24

01643-31232

WASHER

25

08672-01000

INDICATOR

26

21N-01-37220

BRACKET

27

01010-81230

BOLT

28

01643-31232

WASHER

29

08671-50060

HOSE

30

7861-93-1421

SENSOR

30

7861-93-1420

SENSOR

31

08037-02512

GROMMET

32

08193-21012

CLIP

33

01010-81225

BOLT

34

01643-31232

WASHER

35

21N-54-43351

TUBE

36

21N-54-43370

BRACKET

37

01010-81235

BOLT

38

01643-31232

WASHER

39

21N-54-43380

BRACKET

40

01010-81250

BOLT

41

01643-31232

WASHER

42

203-62-42770

CUSHION

43

21W-62-11620

SPACER

44

566-35-42430

PLATE

45

07000-13025

O-RING

46

07283-36163

CLIP

47

07283-56170

SEAT

48

01597-01009

NUT

49

01643-31032

WASHER

50

07261-25810

HOSE

51

07289-00070

CLAMP

52

281-03-11710

CLIP

53

01010-81225

BOLT

54

01643-31232

WASHER

55

07260-25850

HOSE

56

07289-00070

CLAMP

Выбрано товаров: 57