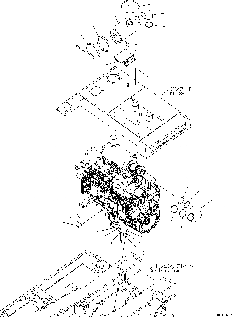
Запчасти Komatsu PC1250-8R ВЫПУСКН. (INTAKE) (+C СПЕЦ-Я.)(№-) КОМПОНЕНТЫ ДВИГАТЕЛЯ

Схема запчастей Komatsu PC1250-8R - ВЫПУСКН. (INTAKE) (+C СПЕЦ-Я.)(№-) КОМПОНЕНТЫ ДВИГАТЕЛЯ
1
2
2
2
2
3
4
5
6
7
8
8
9
10
11
11
12
13
14
15
16
17
18
19
20
FIT
1:1
100%

Артикул

Название

Примечание

Количество

1

21N-01-41211

HOSE

1

21N-01-41210

HOSE

2

208-01-72180

CLAMP

2

07289-00170

CLAMP

3

21N-01-37211

BRACKET

4

01010-81230

BOLT

5

01643-31232

WASHER

6

21T-01-64260

AIR CLEANER

7

600-181-3960

CAP

8

6151-11-9970

BAND ASS'Y

9

6643-11-4641

BOLT

10

561-02-12150

ELBOW

11

561-02-62280

CLAMP

12

21N-01-41140

BRACKET

13

01010-81230

BOLT

14

01643-31232

WASHER

15

04435-51512

CLIP

16

01010-81225

BOLT

17

01643-31232

WASHER

18

04434-52511

CLIP

19

01010-81020

BOLT

20

01643-31032

WASHER

Выбрано товаров: 22