Запчасти Komatsu PC1250-8R NO. НАСОС (СОЕДИНИТ. ЧАСТИ)(№7-) ГИДРАВЛИКА

Схема запчастей Komatsu PC1250-8R - NO. НАСОС (СОЕДИНИТ. ЧАСТИ)(№7-) ГИДРАВЛИКА
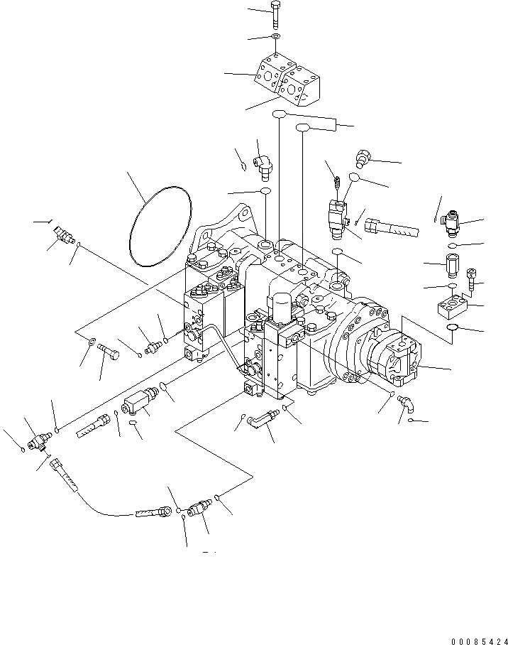
1
2
3
4
5
5
6
7
8
9
10
11
12
13
14
14
15
16
17
18
19
20
21
22
23
24
25
26
27
27
28
28
29
29
29
29
30
31
32
33
34
35
36
37
38
39
40
41
42
43
FIT
1:1
100%

Артикул

Название

Примечание

Количество

1

708-2L-00680

PUMP ASS'Y

2

07000-E5230

O-RING

3

01010-81650

BOLT

4

01643-31645

WASHER

5

21N-62-42460

BLOCK

6

07000-B3035

O-RING

7

01010-81090

BOLT

8

01643-31032

WASHER

9

02782-10628

ELBOW

10

07002-12434

O-RING

11

02896-11018

O-RING

12

21N-64-36970

TEE

13

07040-12412

PLUG

14

07002-12434

O-RING

15

02896-11009

O-RING

16

20B-27-11210

BLEEDER

17

02782-10312

ELBOW

18

07002-11423

O-RING

19

02896-11009

O-RING

20

11Y-62-12520

NIPPLE

21

07002-11423

O-RING

22

02896-11009

O-RING

23

21N-64-36710

TEE

24

07002-12034

O-RING

25

02896-11009

O-RING

26

02896-11015

O-RING

27

21N-64-36680

TEE

28

07002-11423

O-RING

29

02896-11009

O-RING

30

02782-10311

ELBOW

31

07002-21423

O-RING

32

02896-21009

O-RING

33

21N-64-36410

ELBOW

34

07002-11023

O-RING

35

02896-11009

O-RING

36

21N-62-31920

FLANGE

37

07000-B3030

O-RING

38

01252-70835

BOLT

39

21J-62-18340

JOINT

40

07002-62034

O-RING

41

21N-64-36690

TEE

42

07002-62034

O-RING

43

02896-61012

O-RING

Выбрано товаров: 0