Запчасти Komatsu PC1250-8R КОВШ, БОКОРЕЗЫ (№-) КОВШ, .M, MM ШИР., WEAR ПЛАСТИНА, KMAX TOOTH, THRUST ADJUSTMENT, БОКОРЕЗЫ

Схема запчастей Komatsu PC1250-8R - КОВШ, БОКОРЕЗЫ (№-) КОВШ, .M, MM ШИР., WEAR ПЛАСТИНА, KMAX TOOTH, THRUST ADJUSTMENT, БОКОРЕЗЫ
2
1
3
1
2
4
3
4
6
5
FIT
1:1
100%

Артикул

Название

Примечание

Количество

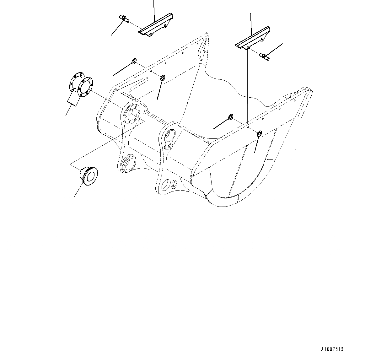
1

427-70-13611

Guard

2

21N-939-3330

Pin

3

209-939-7110

Shim, T=1.0mm

4

209-939-7120

Shim, T=0.5mm

5

21N-70-14220

Bushing

6

21N-70-00060

Shim Assembly

6

Shim

6

Shim

Выбрано товаров: 8