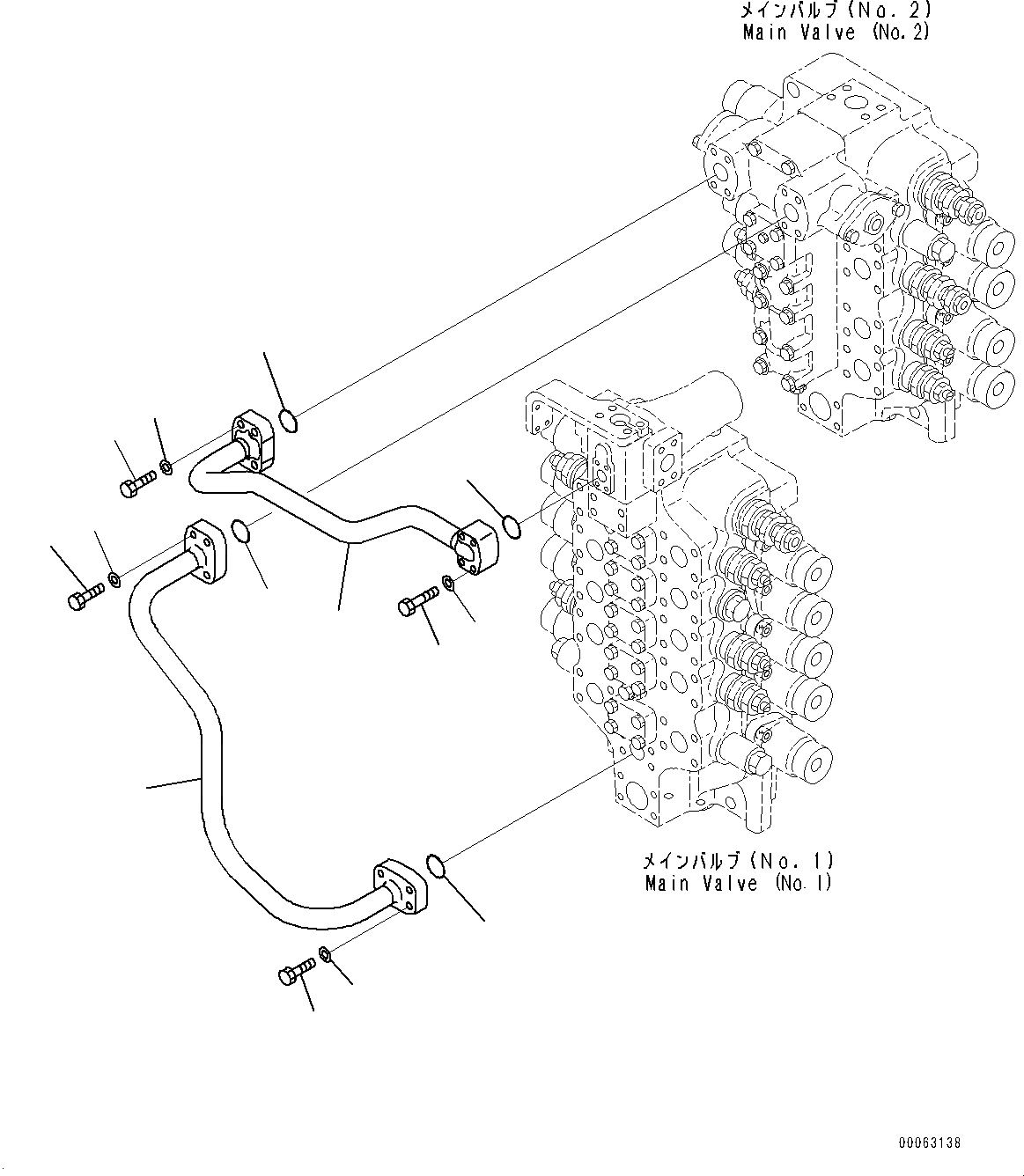
Запчасти Komatsu PC1250-8R КЛАПАН ПОДАЮЩ. ТРУБЫ (№-) КЛАПАН ПОДАЮЩ. ТРУБЫ, ПРЯМ. ХОД

Схема запчастей Komatsu PC1250-8R - КЛАПАН ПОДАЮЩ. ТРУБЫ (№-) КЛАПАН ПОДАЮЩ. ТРУБЫ, ПРЯМ. ХОД
1
3
4
5
6
7
8
9
10
11
11
10
9
2
FIT
1:1
100%

Артикул

Название

Примечание

Количество

1

21N-62-42360

Tube

2

01010-81060

Bolt

3

01643-31032

Washer

4

07000-B3035

O-ring

5

01010-81250

Bolt

6

01643-31232

Washer

7

07000-B3038

O-ring

8

209-62-52120

Tube

9

01010-81250

Bolt

10

01643-31232

Washer

11

07000-B3038

O-ring

Выбрано товаров: 11