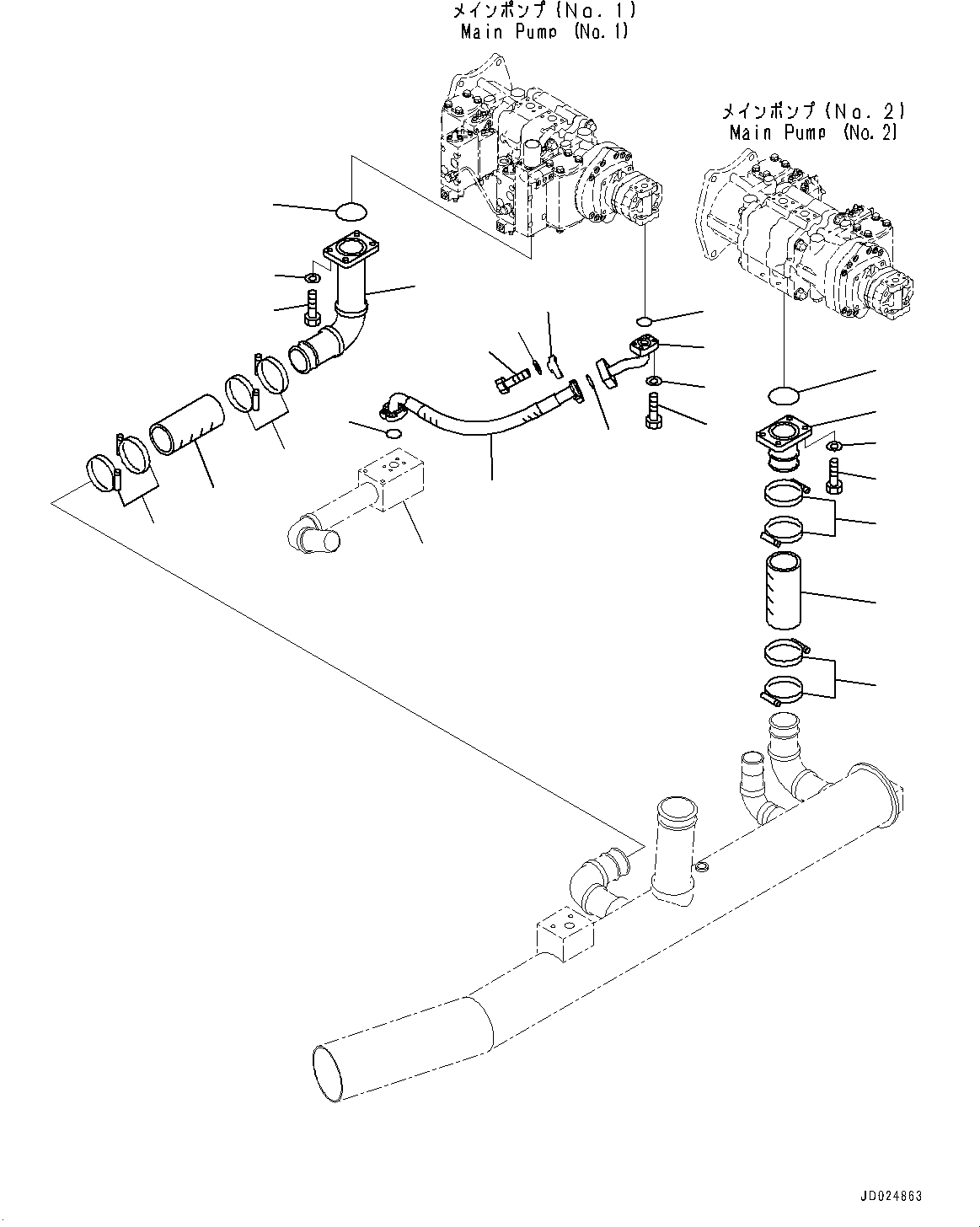
Запчасти Komatsu PC1250-8R ВСАСЫВ. ТРУБЫ, NO. НАСОС И NO. НАСОС ТРУБЫ (№-) ВСАСЫВ. ТРУБЫ

Схема запчастей Komatsu PC1250-8R - ВСАСЫВ. ТРУБЫ, NO. НАСОС И NO. НАСОС ТРУБЫ (№-) ВСАСЫВ. ТРУБЫ
18
19
21
16
17
20
21
12
14
15
13
11
12
9
10
7
8
6
5
6
2
1
3
4
22
FIT
1:1
100%

Артикул

Название

Примечание

Количество

1

21N-62-41130

Tube

2

07000-12080

O-ring

3

07372-21240

Bolt

4

01643-51232

Washer

5

07260-07422

Hose

6

21N-62-37921

Clamp

7

21N-62-41190

Tube

8

07372-21040

Bolt

9

01643-51032

Washer

10

07000-13032

O-ring

11

07298-01006

Hose, Flange Type

12

07000-13032

O-ring

13

07371-31049

Flange, Split

14

07372-21035

Bolt

15

01643-51032

Washer

16

21N-62-41140

Tube

17

07000-12080

O-ring

18

07372-21240

Bolt

19

01643-51232

Washer

20

07260-07422

Hose

21

21N-62-37921

Clamp

22

21N-62-41152

Tube

Выбрано товаров: 0