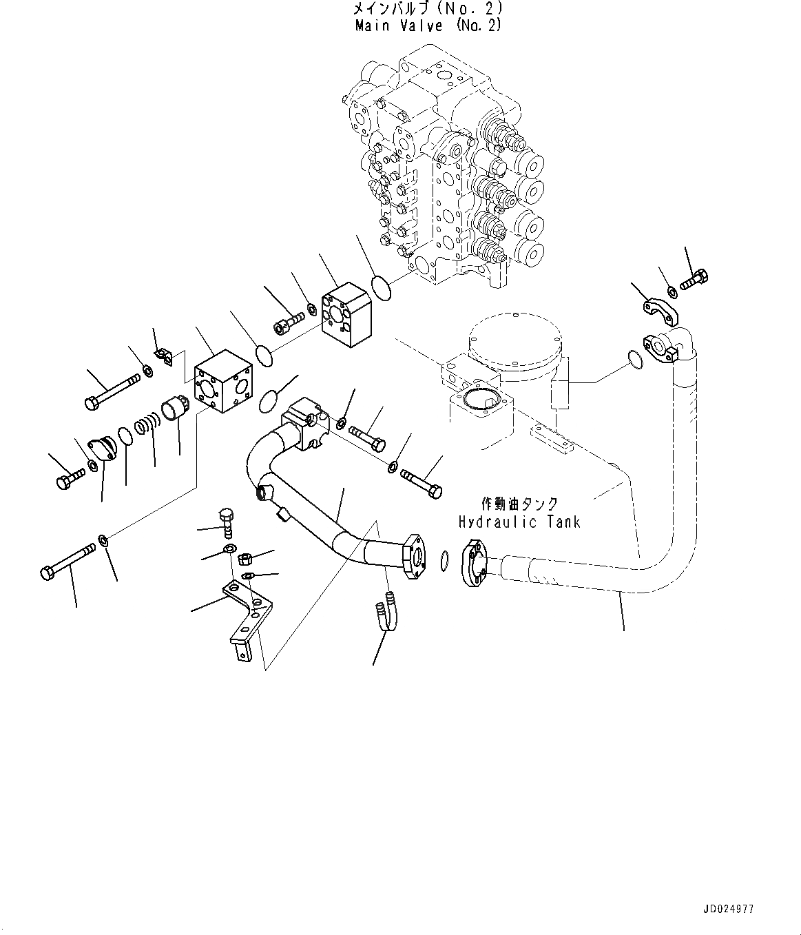
Запчасти Komatsu PC1250-8R ВОЗВРАТ. ТРУБЫ, NO. КЛАПАН (№-) ВОЗВРАТ. ТРУБЫ

Схема запчастей Komatsu PC1250-8R - ВОЗВРАТ. ТРУБЫ, NO. КЛАПАН (№-) ВОЗВРАТ. ТРУБЫ
31
16
13
18
21
19
21
17
27
22
25
24
23
6
8
15
28
29
30
4
5
15
14
12
1
2
9
11
10
20
7
26
3
FIT
1:1
100%

Артикул

Название

Примечание

Количество

1

21N-62-42410

Flange

2

07000-B2060

O-ring

3

01252-71285

Bolt, Hexagon Socket Head

4

01643-51232

Washer

4

21N-60-32701

Valve Assembly

5

01010-81030

Bolt

6

01643-31032

Washer

7

07000-13042

O-ring

8

209-60-52120

Poppet

9

Block

10

21N-60-32720

Flange

11

706-77-72250

Spring

12

07000-B2055

O-ring

13

01011-81235

Bolt

14

01011-81240

Bolt

15

01643-31232

Washer

16

21T-38-71260

Bracket

17

21N-62-42160

Tube

18

07000-B2060

O-ring

19

01010-81270

Bolt

20

01010-81285

Bolt

21

01643-51232

Washer

22

21N-62-41730

Bracket

23

01010-81640

Bolt

24

01643-31645

Washer

25

07283-36163

Clip

26

01597-01009

Nut

27

417-43-16210

Washer

28

07371-32076

Flange, Split

29

07372-21240

Bolt

30

01643-51232

Washer

31

07298-02015

Hose, Flange Type

Выбрано товаров: 32