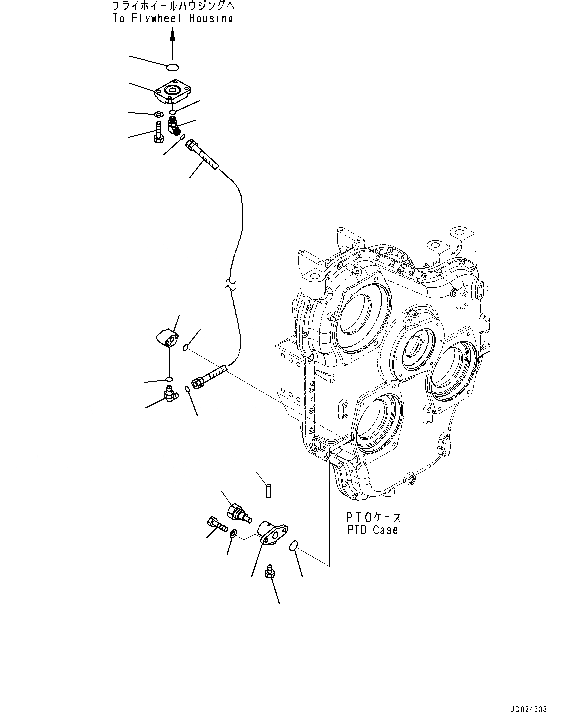
Запчасти Komatsu PC1250-8R POWER TAKEOFF, МАХОВИК ТРУБЫ (№-) POWER TAKEOFF, ЗАПЫЛЕНН МЕСТН. ARRANGEMENT, VHMS

Схема запчастей Komatsu PC1250-8R - POWER TAKEOFF, МАХОВИК ТРУБЫ (№-) POWER TAKEOFF, ЗАПЫЛЕНН МЕСТН. ARRANGEMENT, VHMS
12
11
13
1
9
4
10
3
2
18
20
19
17
14
15
16
6
8
7
5
FIT
1:1
100%

Артикул

Название

Примечание

Количество

1

21N-38-41310

Flange

2

01010-81235

Bolt

3

01643-31232

Washer

4

07000-E2055

O-ring

5

203-62-12841

Elbow

6

02896-21018

O-ring

7

07002-22434

O-ring

8

21N-38-41320

Hose

9

02782-10628

Elbow

10

02896-21018

O-ring

11

07002-22434

O-ring

12

21T-38-31430

Elbow

13

07000-E3028

O-ring

13

6693-22-5600

Valve Assembly

14

6693-22-5610

Body

15

6693-22-5620

Valve

16

07040-02412

Plug

17

04020-00514

Pin, Dowel

18

07000-E3028

O-ring

19

01010-81080

Bolt

20

01643-31032

Washer

Выбрано товаров: 21