Качественные детали и логистика
Оригинальные и аналоговые запчасти с доставкой по России, Казахстану и Беларуси
©2022 PartSell ООО "Система" ИНН 2463123282 ОГРН 1212400004838
Центральный офис: г. Красноярск, Академика Киренского, д.87, пом.4
Телефон: 8 (800) 777-65-74 Email: zakaz@partsell.ru
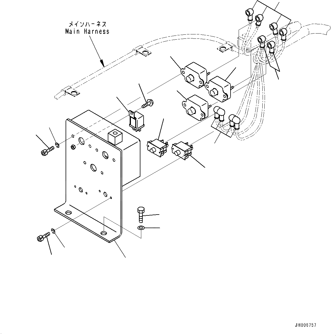
ЭЛЕКТРИЧ. ПРОВОДКА, АВТОМ. ВЫКЛЮЧАТЕЛЬ (№-)
№
Артикул
Название
Примечание
Количество
1
21T-06-68290
Circuit Breaker
2
01252-70616
Bolt, Hexagon Socket Head
3
01602-20619
Washer
4
21N-06-41830
Bracket
5
01010-81225
Bolt
6
01643-31232
7
209-06-77350
Circuit Breaker, 20Amp.
8
01252-70412
9
01601-20410
10
08038-00519
Cap, Terminal
11
569-06-61960
Relay
12
01435-00612
Выбрано товаров: 0